Kombischutzgerät für ISDN- und DSL-Systeme

Art.Nr. 5081694 | EAN 4012196087723 | ELDAS-Nr. 975 900 419

5081694 / TD-2/D-HS
2
120 V
170 V
Klemme
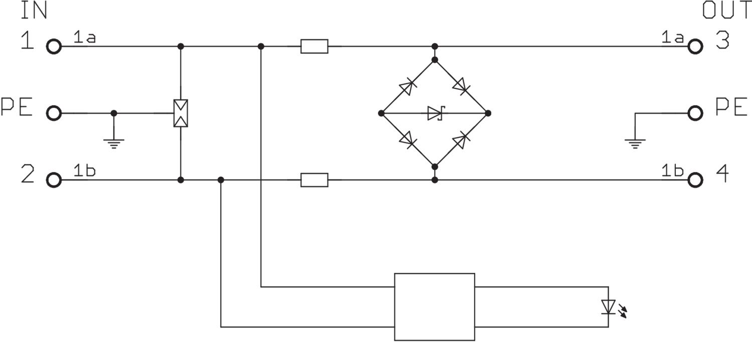
Produktbeschreibung
Produktbeschreibung
Datenleitungsschutzgeräte für Telekommunikationseinrichtungen

• Geringer Schutzpegel bei hoher Strombelastung
• Schraubenlose Klemmen bzw. steckbar
• Bandbreitenoptimiert für sichere Übertragung
• Schnelle Montage auf Hutschiene für eine Telefonleitung
• Optische Funktionsanzeige

Anwendung: DSL-Systeme, ISDN oder analoge Telekommunikation
  • 5 Jahre Gewährleistung
  • Communautés Européennes, EG Konformitätserklärung nach EG-Richtlinien
  • Schutzart IP 20
  • Übergang von LPZ 0 bis 2.
  • Integrated Service Digital Network, ISDN-Anwendungen
  • Digital Subscriber Line, DSL-Anwendungen
  • Analoge Telekommunikation
  • Installation electrotechnical expertise
  • CO₂-Fußabdruck (PCF)
  • Verpackung ohne Kunststoff
Technische Daten

Technische Daten

Ableiterüberwachung nein
Anschlussquerschnitt flexibel max. 2,5 mm²
Anschlussquerschnitt flexibel min. 0,14 mm²
Anschlussquerschnitt mehrdrähtig max. 2,5 mm²
Anschlussquerschnitt mehrdrähtig min. 0,14 mm²
Anschlussquerschnitt starr max. 2,5 mm²
Anschlussquerschnitt starr min. 0,14 mm²
Anzahl Pole 2
CO2 Fußabdruck (GWP) Cradle-to-Gate 0,2096 kg CO2e / 1 Stück
Dimension 170V
Einfügedämpfung (Insertion loss) ≤3 dB
Erdung über: Anschlussleitung
Explosionsgeprüfte Ausführung nein
Farbe weiß
Fernmeldekontakt nein
Gesamt-Ableitstoßstrom (10/350) D1: 5 kA
Gesamt-Ableitstoßstrom (8/20) 10 kA
Grenzfrequenz 75 MHz
Höchste Dauerspannung AC 120 V
Höchste Dauerspannung DC 170 V
Impulsstrom 2,5 kA
Isolationswiderstand >1 MΩ
Kapazität (Ader-Ader) <50 pF
Kapazität (Ader-Erde) <50 pF
Kategorie Typ 1+2+3 / D1+C2+C1
LPZ 0→3
Nennlaststrom AC 0,14 A
Nennlaststrom DC 0,2 A
Prüfnorm IEC 61643-21
Schirm Anschluss nein
Schirmung direkt
Schutzart IP20
Schutzpegel Ader - Ader <300 V
Schutzpegel Ader - Erde <650 V
Serienwiderstand pro Ader 9 Ω ± 10 %
Signalisierung am Gerät optisch
SPD nach IEC 61643-21 Class I+II+III / D1+C2+C1
Stecksystem Klemme
Stoßstromfestigkeit Ader - Ader C2: 18 kV / 9 kA (8/20µs)
Stoßstromfestigkeit Ader - Erde C2: 18 kV / 9 kA (8/20µs)
Teilungseinheit TE (17,5 mm) 1
Temperatureinsatzbereich max. 80 °C
Temperatureinsatzbereich min. -40 °C
Werkstoff Kunststoff
Alle Typen

Alle Typen

Typ Anzahl Pole Höchste Dauerspannung AC Höchste Dauerspannung DC Stecksystem ELDAS-Nr. Art.Nr. Menge kl. VKE Listenpreis exkl. MwSt.
TD-2/D-HS 2 120 V 170 V Klemme 975 900 419 5081694
1 Stück 140,10 CHF Preis / 1 Stück
Downloads

Download

Download

EU-Konformitätserklärung TD-2/D-HS / 5081694 , 0.23MB , pdf
Download

Download
Download

TD-2/D-HS / 5081694
Download