- Produktbeschreibung
-
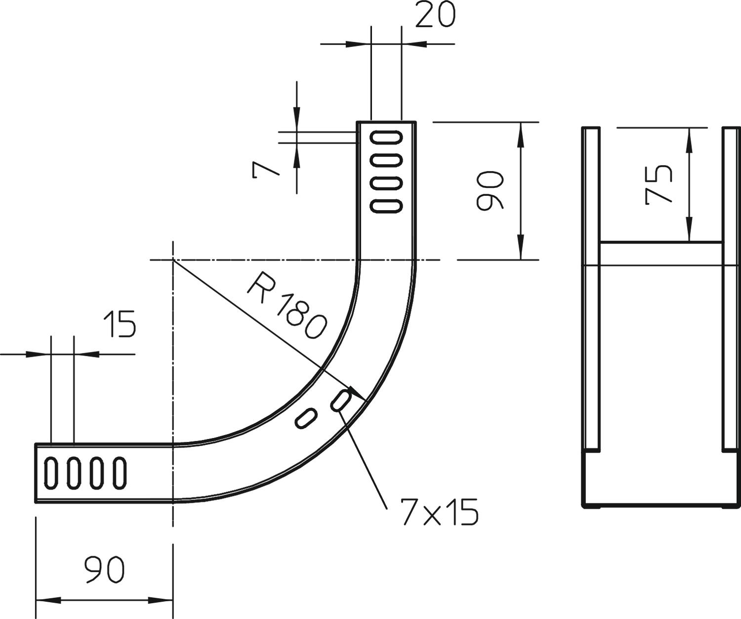
ProduktbeschreibungDeckel für fallende Vertikalbögen der Seitenhöhe 85.
Die Befestigung wird durch die Überlappung der Kabelrinnendeckel gewährleistet. Zusätzlich kann der Deckel mit Deckelklammern befestigt werden.
-
- Technische Daten
-
Technische Daten
Abbiegung (Winkel) 90° Befestigungsart Drehriegel Blechstärke 0,75 mm Blechstärke 0,03 in Breite 200 mm Breite 8 in CO2 Fußabdruck (GWP) Cradle-to-Gate 1,5151 kg CO2e / 1 Stück Dimension B200mm Farbe zink Funktionserhalt nein Geeignet für Gitterrinne nein Geeignet für Kabelleiter nein Geeignet für Kabelrinne ja Höhe 85 mm Maß B 200 mm Oberfläche bandverzinkt Richtungsänderung vertikal fallend Rostfreier Stahl, gebeizt nein Scharnierend nein Werkstoff Stahl - Alle Typen
-
Alle Typen
- Downloads
-
Datenblatt DBV 85 200 F FS / 7130994 , 0.20MB , pdfLeitfaden Kabeltragsysteme , 2.34MB , pdfKatalog Kabeltragsysteme , 40.51MB , pdfEU-Konformitätserklärung DBV 85 200 F FS / 7130994 , 0.13MB , pdfMontageanleitung Montageanleitung Schraubbare Kabelrinnensysteme , 9.41MB , pdf
Schweiz - Deutsch
