Échelle à câbles LCIS 60, 6 m C30 FT

Réf. 6209647 | EAN 4012196431809

6000 mm
1,5 mm
non
Description du produit
Description du produit
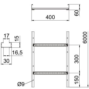
Échelle à câbles d'une hauteur latérale de 60 mm avec échelons soudés à profilé C30 ouvert vers le haut. Longeron latéral enroulé pour le renforcement et la protection des bords. La fixation sur console s'effectue avec des pièces de serrage de type LKS 40. La fente de l'échelon mesure 16,5 mm. La bride de fixation correspondante est de type 2056.
Atténuation magnétique du blindage sans couvercle 10 dB, avec couvercle 15 dB.
  • Communautés Européennes, CE Déclaration de conformité selon directives CE
  • Déclaration de conformité UKCA
  • Échelles à câbles, hauteur latérale 60 mm
  • Déclaration environnementale de produits (EPD)
  • Empreinte CO₂ (PCF)
Caractéristiques techniques

Caractéristiques techniques

Acier inoxydable, décapé non
Coloris zinc
Cote B 400 mm
Dimension 60x400x6000
Distance entre les échelons 300 mm
Distance entre support 1,5m 3,3 kN/m
Distance entre support 2,0m 2 kN/m
Distance entre support 4,0m 0,4 kN/m
Distance entre support 4,5m 0,3 kN/m
Distance entre support 5,0m 0,2 kN/m
Distance entre supports 2,5m 1,3 kN/m
Distance entre supports 3,0m 1 kN/m
Distance entre supports 3,5m 0,78 kN/m
Empreinte CO2 (GWP) du berceau à la porte 7,3511 kg CO2e / 1 Mètre
Épaisseur de longeron 1,5 mm
Fente de l’échelon 16,50
Fixation des échelons soudé
Hauteur 60 mm
Largeur 400 mm
Longueur 6000 mm
Matériau acier
Modèle d'échelons Profilé perforé
Modèle de longeron latéral Profilé plat
Modèle longue portée non
Perforation latérale oui
Section utile 16000 mm²
Section utile 160 cm²
Sécurité de fonctionnement non
Surface galvanisé à chaud par trempage

Caractéristiques techniques

Diagramme de charge de l'échelle à câbles de type LCIS 60

Diagramme de charge de l'échelle à câbles de type LCIS 60
  • Charge admissible de chemins de câbles/d'échelles à câbles en kN/m sans charge d'homme Charge admissible de chemins de câbles/d'échelles à câbles en kN/m sans charge d'homme
  • Portée en m Portée en m
  • Déflexion de longeron en mm avec kN/m autorisé Déflexion de longeron en mm avec kN/m autorisé
  • Schéma de charge pour le procédé de contrôle Schéma de charge pour le procédé de contrôle
  • Courbe de charge avec largeur du chemin de câbles/de l'échelle à câbles en mm Courbe de charge avec largeur du chemin de câbles/de l'échelle à câbles en mm
  • Courbe de déflexion de longeron en fonction de l'espacement d'appui Courbe de déflexion de longeron en fonction de l'espacement d'appui
Tous les types

Tous les types

Type Longueur Largeur Épaisseur de longeron Sécurité de fonctionnement Réf. Quantité Plus petite unité de vente Prix de tarif TVA excl.
LCIS 620 6 FT 6000 mm 200 mm 1,5 mm non 6209643
6 m 62,89 CHF Prix / 1 m
LCIS 630 6 FT 6000 mm 300 mm 1,5 mm non 6209645
6 m 67,54 CHF Prix / 1 m
LCIS 640 6 FT 6000 mm 400 mm 1,5 mm non 6209647
6 m 72,23 CHF Prix / 1 m
LCIS 650 6 FT 6000 mm 500 mm 1,5 mm non 6209649
6 m 75,53 CHF Prix / 1 m
LCIS 660 6 FT 6000 mm 600 mm 1,5 mm non 6209651
6 m 79,19 CHF Prix / 1 m
Accessoires

Accessoires du système

Produits Type ELDAS-No. Réf. Quantité Plus petite unité de vente Prix de tarif TVA excl.
Couvercle avec verrou tournant FT Couvercle avec verrou tournant FT DRL 400 FT ----- 6051413
3 m 78,36 CHF Prix / 1 m
Raccord droit FT Raccord droit FT LVG 60 FT 127 058 019 6208843
10 Pièce 6,72 CHF Prix / 1 Pièce
Raccord articulé FT Raccord articulé FT LGVG 60 FT 127 058 069 6208944
10 Pièce 20,66 CHF Prix / 1 Pièce
Éclisse de dilatation Éclisse de dilatation LDVG 60 FT ----- 6208970
2 Pièce 22,51 CHF Prix / 1 Pièce
Éclisse multifonction FT Éclisse multifonction FT LMFV 640 FT 127 098 179 6225734
1 Pièce 89,75 CHF Prix / 1 Pièce
Coude à 90°  60 FT Coude à 90° 60 FT LB 90 640 R3 FT 127 004 039 6225066
1 Pièce 260,32 CHF Prix / 1 Pièce
Pièce en Té 60 FS Pièce en Té 60 FS LT 640 R3 FT 127 066 379 6225234
1 Pièce 548,43 CHF Prix / 1 Pièce
Dérivation 60 FT Dérivation 60 FT LAA 640 R3 FT ----- 6225874
1 Pièce 469,53 CHF Prix / 1 Pièce
Élément de coude articulé 60 FT Élément de coude articulé 60 FT LGBE 640 FT ----- 6225474
1 Pièce 143,76 CHF Prix / 1 Pièce
Embout de protection 60 Embout de protection 60 SKH 60 OR 127 008 359 6222537
40 Paire 5,16 CHF Prix / 1 Paire
Équerre de support Équerre de support LAW FT ----- 6221513
10 Pièce 10,55 CHF Prix / 1 Pièce
Pièce de raccordement FT Pièce de raccordement FT LAS 60 FT ----- 6221378
10 Pièce 9,64 CHF Prix / 1 Pièce
Séparateur 45 DD Séparateur 45 DD TSG 45 DD 127 063 669 6062321
3 m 15,74 CHF Prix / 1 m
Tôle d'angle DD Tôle d'angle DD LEB 25 DD ----- 6221216
1 Pièce 58,07 CHF Prix / 1 Pièce
Tôle d'angle DD Tôle d'angle DD LEB 50 DD ----- 6221259
1 Pièce 83,49 CHF Prix / 1 Pièce
Tôle de passage Tôle de passage LALB 40 FT ----- 6221874
1 Pièce 69,38 CHF Prix / 1 Pièce
Tôle de départ FT Tôle de départ FT LAB 40 FT ----- 6220452
1 Pièce 74,09 CHF Prix / 1 Pièce
Tôle de fond DD Tôle de fond DD ELB-L 40 DD ----- 6103360
3 m 70,20 CHF Prix / 1 m
Téléchargements

Télécharger

Déclaration de conformité UE LCIS 640 6 FT / 6209647 , 0.13MB , pdf
Télécharger
Déclaration environnementale de produits (EPD) LCIS 640 6 FT / 6209647 , 1.48MB , pdf
Télécharger

Télécharger

LCIS 640 6 FT / 6209647 LCIS 640 6 FT / 6209647
Télécharger