- Descrizione del prodotto
-
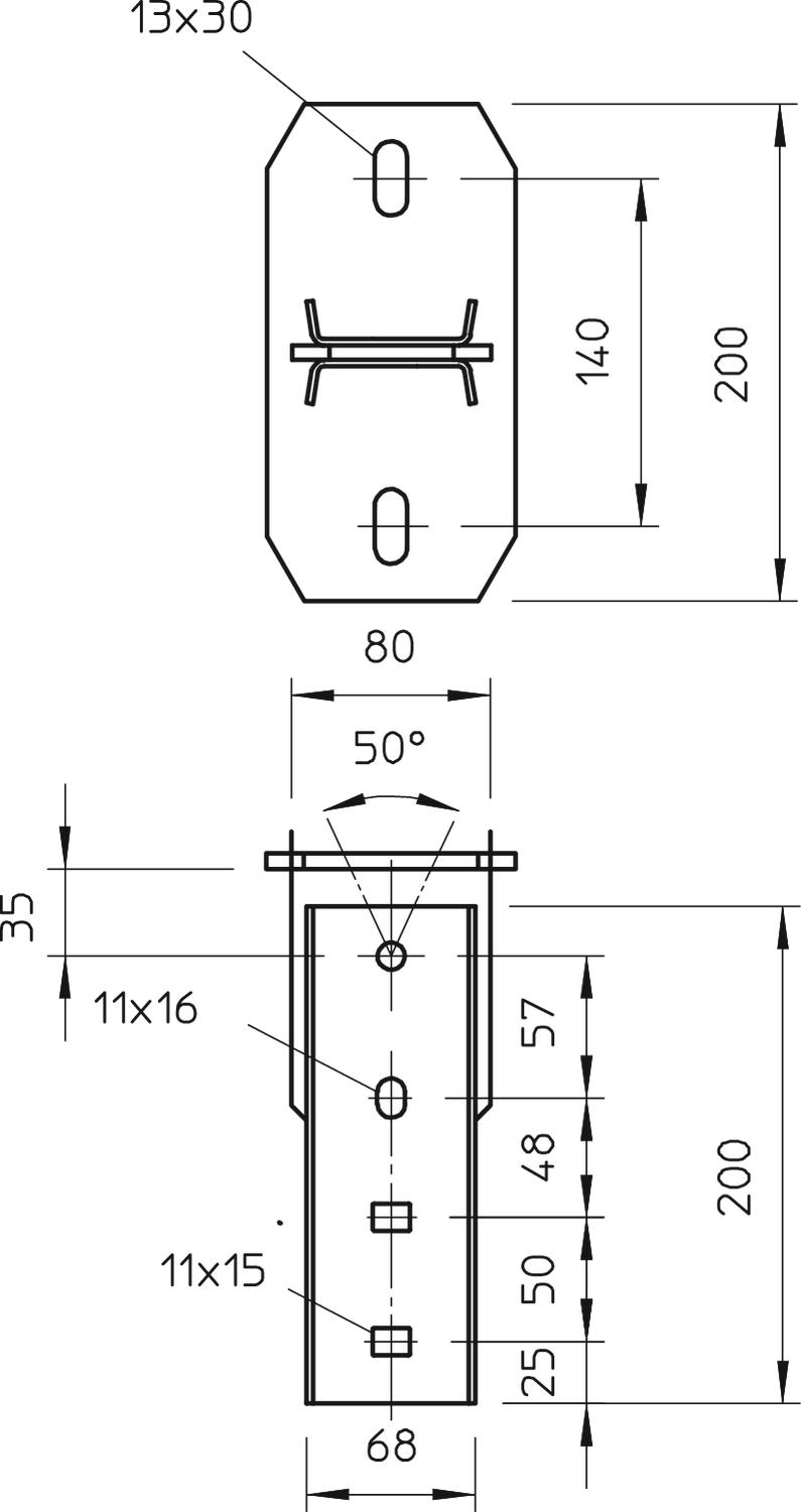
Descrizione del prodottoSupporto a soffitto regolabile in direzione longitudinale per il montaggio al profilato IS 8.
-
- Dati tecnici
-
Dati tecnici
Acciaio inossidabile, decapato no Adatto al fissaggio a soffitto sì Adatto al fissaggio di mensole no Adatto per forme profilate Profilo a I Altezza 221,5 mm Colore zinco Dimensionee 200mm Impronta CO2 (GWP) dalla culla al cancello 5,0132 kg CO2e / 1 Pezzo Larghezza 100 mm Lughezza. 200 mm Materiale Acciaio Superficie zincato a caldo per immersione Versione Supporto a soffitto a vite - Tutti i tipi
- Download
-
Scheda tecnica KI 8 VLK FT / 6348157 , 0.17MB , pdfDichiarazione di conformità UE KI 8 VLK FT / 6348157 , 0.13MB , pdfREACH Dichiarazione di conformità KI 8 VLK FT / 6348157 , 0.12MB , pdfRoHS Dichiarazione di conformità KI 8 VLK FT / 6348157 , 0.12MB , pdfIstruzioni di montaggio General information on the mounting , 2.65MB , pdfIstruzioni di montaggio Istruzioni di montaggio Sistemi di profilati a I , 0.03MB , pdf
Svizzera - Italiano
