Nota: Questo articolo è un articolo fuori produzione. Puoi trovare l’articolo successivo qui: 1187414 / Staffa reggicavo 2056, base a F, 1 via, coppa in metallo, FT

Staffa reggicavo, coppa in metallo, 1 via FT

N. art. 1156829 | EAN 4012195495314 | ELDAS-No. 120 101 765

3 Nm
Torna alla panoramica
Descrizione del prodotto
Descrizione del prodotto
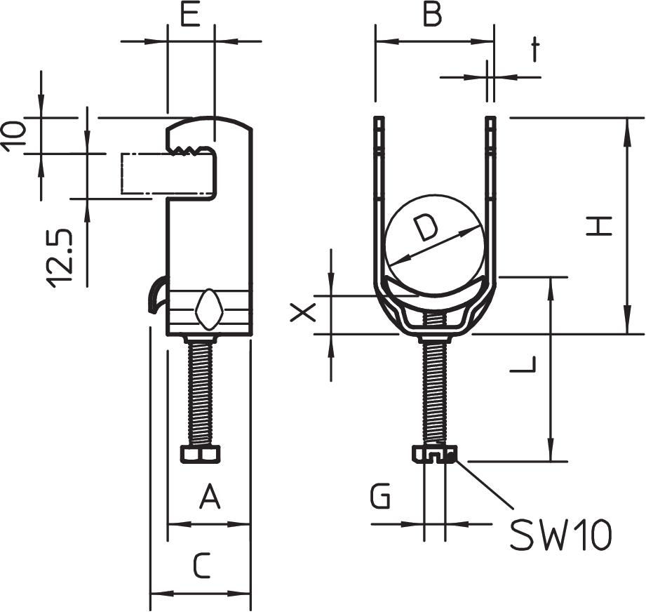
Staffa reggicavo per il fissaggio di cavi e tubi. Idonea per profilati piatti, angolari e ad U di spessore compreso tra 4 e 12 mm. Vaschetta metallica con spigoli smussati per la protezione dei cavi.
  • Comunità europee, Dichiarazione di conformità CE secondo le linee guida CE
  • Profilato Acciaio piatto
  • Profilato Acciaio a U
  • Impronta di carbonio (PCF)
Dati tecnici

Dati tecnici

Aggiunta materiale Acciaio
Aggiunta superficie zincato a caldo
Capacità D max 22 mm
Capacità D min. 16 mm
Con controcoppa no
Con coppa in plastica no
Con coppa metallica
Dimensione e 13 mm
Dimensione A 23 mm
Dimensione B 27 mm
Dimensione C 34 mm
Dimensione G (mm) M6
Dimensione H 54 mm
Dimensione L 34 mm
Dimensione t 1,5 mm
Dimensione x 5 mm
Dimensionee 16-22mm
Impronta CO2 (GWP) dalla culla al cancello 0,1005 kg CO₂e / 1 Pezzo
Materiale Acciaio
Materiale della coppa Acciaio
Max Coppia di serraggio 3 Nm
Numero dei cavi/tubi 1
per 1 cavo H 54 mm
per 1 cavo L 34
per 2 cavi H 78 mm
per 2 cavi L 47 mm
per 3 cavi H 102 mm
per 3 cavi L 47 mm
per diametro tubo max 20 mm
per diametro tubo min. 20 mm
per profilato portacavi con apertura asola (con intervallo) max 17 mm
per profilato portacavi con apertura asola (con intervallo) min. 16 mm
Priva di alogeni
Resistente agli urti no
Superficie zincato a caldo per immersione
Tipo di montaggio profilo piatto
Tutti i tipi

Tutti i tipi

Tipo Capacità D min. Capacità D max Max Coppia di serraggio ELDAS-No. N. art. Quantità Conf. Prezzo di listino IVA escl.
2056F M 16 FT 12 mm 16 mm 3 Nm 120 100 865 1156810
100 pz 324,56 CHF Prezzo / 100 pz
2056F M 22 FT 16 mm 22 mm 3 Nm 120 101 765 1156829
100 pz 334,49 CHF Prezzo / 100 pz
Download

Download

Dichiarazione di conformità UE 2056F M 22 FT / 1156829 , 0.13MB , pdf
Download
REACH Dichiarazione di conformità 2056F M 22 FT / 1156829 , 0.12MB , pdf

2056F M 22 FT / 1156829 2056F M 22 FT / 1156829
Download

mgctlbxN$MZP mgctlbxV$5.2.5 mgctlbxL$C