Staffa reggicavo 2056, base a W, 1 via, coppa in plastica, Al

N. art. 1187902 | EAN 4012196854998

Descrizione del prodotto
Descrizione del prodotto
Staffa reggicavo con base a W, coppa in plastica di polipropilene. Per il montaggio verticale e orizzontale di 1 cavo singolo su profilati angolari fino a < 40 mm. Con una vite sulla coppa premente, testa della vite esagonale universale da SW10, a taglio e a croce. Per il montaggio in ambienti interni ed esterni. Si consiglia di utilizzare una controcoppa.


  • privo di alogeni; senza cloro, fluoro e bromo
  • Comunità europee, Dichiarazione di conformità CE secondo le linee guida CE
  • Profilato Acciaio angolare
  • Staffa reggicavo per profilati angolari con lato con lunghezza di 40 mm
  • Impronta di carbonio (PCF)
  • Imballaggio senza plastica
  • Confezione completamente in cartone riciclato
Dati tecnici

Dati tecnici

Aggiunta materiale Alluminio
Aggiunta superficie NULL
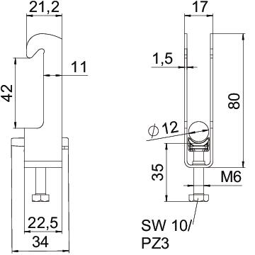
Altezza 80 mm
Capacità D max 12 mm
Capacità D min. 8 mm
Con controcoppa no
Con coppa in plastica
Dimensione A 22,5 mm
Dimensione B 17 mm
Dimensione C 34 mm
Dimensione G (mm) M6
Dimensione H 80 mm
Dimensione L 35 mm
Dimensione t 1,5 mm
Dimensionee 08-12mm
Dimensioni asola 10 mm
Filettatura M6
Impronta CO2 (GWP) dalla culla al cancello 0,2553 kg CO2e / 1 Pezzo
Larghezza 17 mm
Lughezza. 22,5 mm
Lunghezza esterna 34 mm
Materiale Alluminio
Materiale della coppa Plastica
Max Coppia di serraggio 3 Nm
Numero dei cavi/tubi 1
per diametro tubo max 12 mm
per diametro tubo min. 8 mm
Priva di alogeni
Qualità del materiale della coppa Polipropilene
Spessore lamiera 1,5 mm
Tipo di montaggio Profilato angolare
Tutti i tipi

Tutti i tipi

Tipo Capacità D min. Capacità D max Max Coppia di serraggio ELDAS-No. N. art. Quantità Conf. Prezzo di listino IVA escl.
BS-W1-K-12 ALU 8 mm 12 mm 3 Nm ----- 1187902
100 pz 415,40 CHF Prezzo / 100 pz
BS-W1-K-16 ALU 12 mm 16 mm 3 Nm ----- 1187908
100 pz 436,20 CHF Prezzo / 100 pz
BS-W1-K-22 ALU 16 mm 22 mm 2 Nm 120 101 975 1187914
50 pz 468,05 CHF Prezzo / 100 pz
BS-W1-K-28 ALU 22 mm 28 mm 2 Nm 120 101 985 1187920
50 pz 494,69 CHF Prezzo / 100 pz
BS-W1-K-34 ALU 28 mm 34 mm 2 Nm 120 101 995 1187926
50 pz 476,03 CHF Prezzo / 100 pz
BS-W1-K-40 ALU 34 mm 40 mm 2 Nm 120 102 005 1187932
50 pz 486,86 CHF Prezzo / 100 pz
BS-W1-K-46 ALU 40 mm 46 mm 2 Nm 120 102 015 1187938
50 pz 568,04 CHF Prezzo / 100 pz
BS-W1-K-52 ALU 46 mm 52 mm 2 Nm 120 102 025 1187944
50 pz 633,55 CHF Prezzo / 100 pz
BS-W1-K-58 ALU 52 mm 58 mm 2 Nm 120 102 035 1187950
50 pz 724,35 CHF Prezzo / 100 pz
BS-W1-K-64 ALU 58 mm 64 mm 2 Nm 120 102 045 1187956
50 pz 809,60 CHF Prezzo / 100 pz
Download

Download

BS-W1-K-12 ALU / 1187902 BS-W1-K-12 ALU / 1187902
Download