Scaricatore di sovratensione V20, 3 poli con FS 280 V

N. art. 5095283 | EAN 4012196162338

280 V
IP20
Descrizione del prodotto
Descrizione del prodotto
Scaricatore di sovratensione di tipo 2

• Installazione per la protezione da sovratensione secondo VDE 0100-443 (IEC 60364-4-44)
• Capacità di scarica fino a 40 kA (8/20) per polo tramite varistori ad alte prestazioni
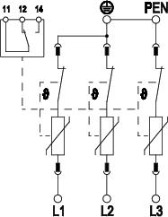
• Limitatore modulare a cartuccia estraibile completa di sistema di disconnessione e indicatore visivo di stato
• Connessione ad incastro con protezione da vibrazione 
• Plastica secondo UL 94 V-0
• Le versioni FS sono dotate di contatto ausiliario in scambio pulito, privo di potenziale, per la segnalazione di guasto a distanza

Utilizzo: installazione in quadri principali e sottoquadri di distribuzione.
  • Underwriters Laboratories Inc., USA + CSA, Canada
  • Österreichischer Verband für Elektrotechnik, Austria
  • Associazione di elettrotecnica, elettronica, tecnologia di informazioni e.V., Germania
  • KEMA-KEUR, Paesi Bassi
  • 5 anni di garanzia
  • Comunità europee, Dichiarazione di conformità CE secondo le linee guida CE
  • EurAsian Conformity
  • Regulatory Compliance Mark - Dichiarazione di conformità per Australia / Nuova Zelanda
  • Apparecchio di protezione di Tipo 3 secondo DIN EN 61643-11 o IEC 61643-11
  • Passaggio da LPZ 1 a 2
  • Installation electrotechnical expertise
  • Segnalazione a distanza
  • Impronta di carbonio (PCF)
  • Imballaggio senza plastica
  • Confezione completamente in cartone riciclato
Dati tecnici

Dati tecnici

Classe di prova tipo 2
Contatti FM In scambio
Corrente nominale di dispersione (8/20 µs) 20 kA
Corrente nominale di dispersione (8/20 µs) [L-N] 20 kA
Corrente nominale di scarica (8/20 µs) [totale] 120 kA
Corrente nominale di scarica massima (8/20 μs) 40 kA
Corrente nominale di scarica massima (8/20 μs) [L-N] 40 kA
Dimensionee 280V
Distanza minima 1,5 mm
Forma della rete altro
Forma della rete TN
Forma della rete TN-C
Fusibile integrato no
Grado di protezione IP20
Impronta CO2 (GWP) dalla culla al cancello 1,4927 kg CO2e / 1 Pezzo
Livello di protezione [L-N] ≤1,3
Massima potenza fusibile 160 A
Materiale cassetta PA UL 94 V-0
Momento torcente 4 Nm
Numero di poli 3
Omologazioni VDE, KEMA, UL, ÖVE
Potenza di commutazione AC 230 V; 0,5 A
Potenza di commutazione DC 230 V; 0,1 A / 75 V; 0,5 A
Protezione massima da sovracorrente in rete 160 A gL/gG
Range di temperatura di esercizio max 80 °C
Range di temperatura di esercizio min. -40 °C
Resistente al cortocircuito
Resistenza ai cortocircuiti con protezione massima da sovracorrente in rete 50 kA eff
Segnalazione a distanza
Segnalazione sull'apparecchio ottico
Sezione collegamento morsetti FM max 16 AWG
Sezione collegamento morsetti FM max 1,5 mm²
Sezione collegamento morsetti FM min. 21 AWG
Sezione collegamento morsetti FM min. 0,5 mm²
Sezione del conduttore flessibile (a filo sottile) max 35 mm²
Sezione del conduttore flessibile (a filo sottile) max 2 AWG
Sezione del conduttore flessibile (a filo sottile) min. 16 AWG
Sezione del conduttore flessibile (a filo sottile) min. 1,5 mm²
Sezione rigida del conduttore (cavo pieno/a treccia) max 35 mm²
Sezione rigida del conduttore (cavo pieno/a treccia) max 2 AWG
Sezione rigida del conduttore (cavo pieno/a treccia) min. 16 AWG
Sezione rigida del conduttore (cavo pieno/a treccia) min. 1,5 mm²
Soffiante no
SPD secondo EN 61643-11 Tipo 2
SPD secondo IEC 61643-1 classe II
SPD secondo UL 1449 Tipo 4
Temperatura d'esercizio max 80 °C
Temperatura d'esercizio min. -40 °C
Tempo di reazione <25 ns
Tensione continua massima (L-N) 280 V
Tensione continua massima (N-PE) 255 V
Tensione massima continua AC 280 V
Tensione nominale AC (50 / 60 Hz) 230 V
Tensione residua [L-N] @ 1 kA 0,8 kV
Tensione residua [L-N] @ 5 kA 1 kV
Tensione TOV [L-N] - fail safe mode - 120 min 440 V
Tensione TOV [L-N] - withstand mode - 5 s 335 V
Tipo di montaggio Barra DIN 35 mm
Umidità dell'aria max 95 %
Umidità dell'aria min. 5 %
Versione dei poli 3
Tutti i tipi

Tutti i tipi

Tipo Versione dei poli Tensione massima continua AC Grado di protezione N. art. Quantità Conf. Prezzo di listino IVA escl.
V20-1+FS-280 1 280 V IP20 5095281
1 pz 98,00 CHF Prezzo / 1 pz
V20-2+FS-280 2 280 V IP20 5095282
1 pz 172,90 CHF Prezzo / 1 pz
V20-3+FS-280 3 280 V IP20 5095283
1 pz 253,60 CHF Prezzo / 1 pz
V20-4+FS-280 4 280 V IP20 5095284
1 pz 322,75 CHF Prezzo / 1 pz
Download

Download

Download
Download
Download

Dichiarazione di conformità UE V20-3+FS-280 / 5095283 , 0.13MB , pdf
Download
REACH Dichiarazione di conformità V20-3+FS-280 / 5095283 , 0.12MB , pdf
RoHS Dichiarazione di conformità V20-3+FS-280 / 5095283 , 0.13MB , pdf

V20-3+FS-280 / 5095283 V20-3+FS-280 / 5095283
Download