Protezione MSR per alimentazione a 2 poli con segnalazione a distanza 230 V AC

N. art. 5097858 | EAN 4012195578215

5097858 / VF230-AC-FS
255 V
IP20
Descrizione del prodotto
Descrizione del prodotto
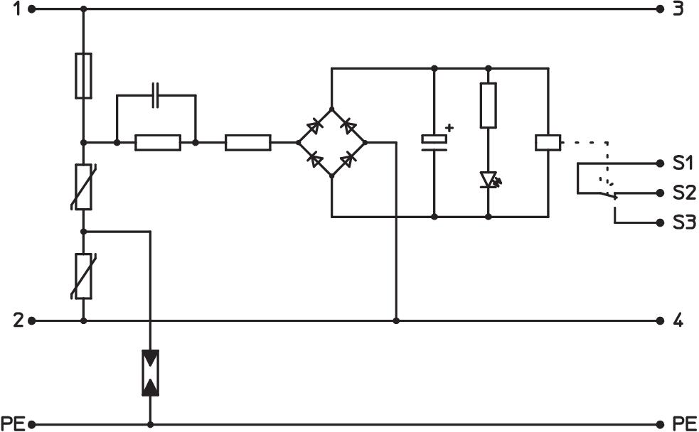
Elevata protezione dalle sovratensioni e della rete di tipo 3 secondo EN 61643-11 con segnalazione a distanza

• Con contatto di commutazione a potenziale zero per la segnalazione a distanza, per il monitoraggio del funzionamento
• Adatto per sistemi a corrente alternata AC
• Con indicazione ottica del funzionamento
• Con morsetto di collegamento senza vite di facile montaggio
• Con passo salvaspazio di 17,5 mm
• Circuito Y

Impiego: utilizzo universale su guida DIN da 35 mm in qualsiasi scatola di distribuzione in commercio.
  • MAGYAR ELEKTROTECHNIKAI ELLENŐRZŐ INTÉZET Budapest, Ungheria
  • 5 anni di garanzia
  • Comunità europee, Dichiarazione di conformità CE secondo le linee guida CE
  • Apparecchio di protezione di Tipo 3 secondo DIN EN 61643-11 o IEC 61643-11
  • Passaggio da LPZ 2 a 3
  • Segnalazione a distanza
  • Installation electrotechnical expertise
  • Impronta di carbonio (PCF)
  • Imballaggio senza plastica
Dati tecnici

Dati tecnici

Classe di prova tipo 3
Contatti FM In scambio
Corrente nominale di dispersione (8/20 µs) 2,5 kA
Corrente nominale di scarica massima (8/20 μs) 7 kA
Dimensionee 230V AC
Forma della rete altro
Grado di protezione IP20
Impronta CO2 (GWP) dalla culla al cancello 0,8639 kg CO2e / 1 Pezzo
Livello di protezione complessivo [L-PE] 1500 kV
Livello di protezione filo - filo <1060 V
Livello di protezione filo - terra <1400 V
Livello di protezione [L-N] ≤1000
LPZ 2→3
Numero di poli 3
OBO_Corrente di carico nominale (morsetto di ingresso/uscita) 20 A
Range di temperatura di esercizio max 80 °C
Range di temperatura di esercizio min. -40 °C
Segnalazione a distanza
Segnalazione sull'apparecchio ottico
Sezione rigida del conduttore (cavo pieno/a treccia) max 2,5 mm²
Sezione rigida del conduttore (cavo pieno/a treccia) min. 0,14 mm²
Soffiante no
SPD secondo EN 61643-11 Tipo 3
SPD secondo IEC 61643-1 classe III
Temperatura d'esercizio max 80 °C
Temperatura d'esercizio min. -40 °C
Tempo di reazione <25 ns
Tensione massima continua AC 255 V
Tensione nominale AC (50 / 60 Hz) 230 V
Tipo di montaggio Barra DIN 35 mm
Versione testata per esplosione (EX) no
Tutti i tipi

Tutti i tipi

Tipo Tensione massima continua AC Grado di protezione N. art. Quantità Conf. Prezzo di listino IVA escl.
VF230-AC-FS 255 V IP20 5097858
1 pz 113,00 CHF Prezzo / 1 pz
Download

Download

Download
Download

Dichiarazione di conformità UE VF230-AC-FS / 5097858 , 0.13MB , pdf
Download
REACH Dichiarazione di conformità VF230-AC-FS / 5097858 , 0.13MB , pdf
RoHS Dichiarazione di conformità VF230-AC-FS / 5097858 , 0.13MB , pdf

Download
Download

VF230-AC-FS / 5097858
Download