Piastra di giunzione forma L A2

N. art. 1124693 | EAN 4012195804949

1124693 / GMS 3 VP L A2
90 mm
40 mm
Torna alla panoramica
Descrizione del prodotto
Descrizione del prodotto
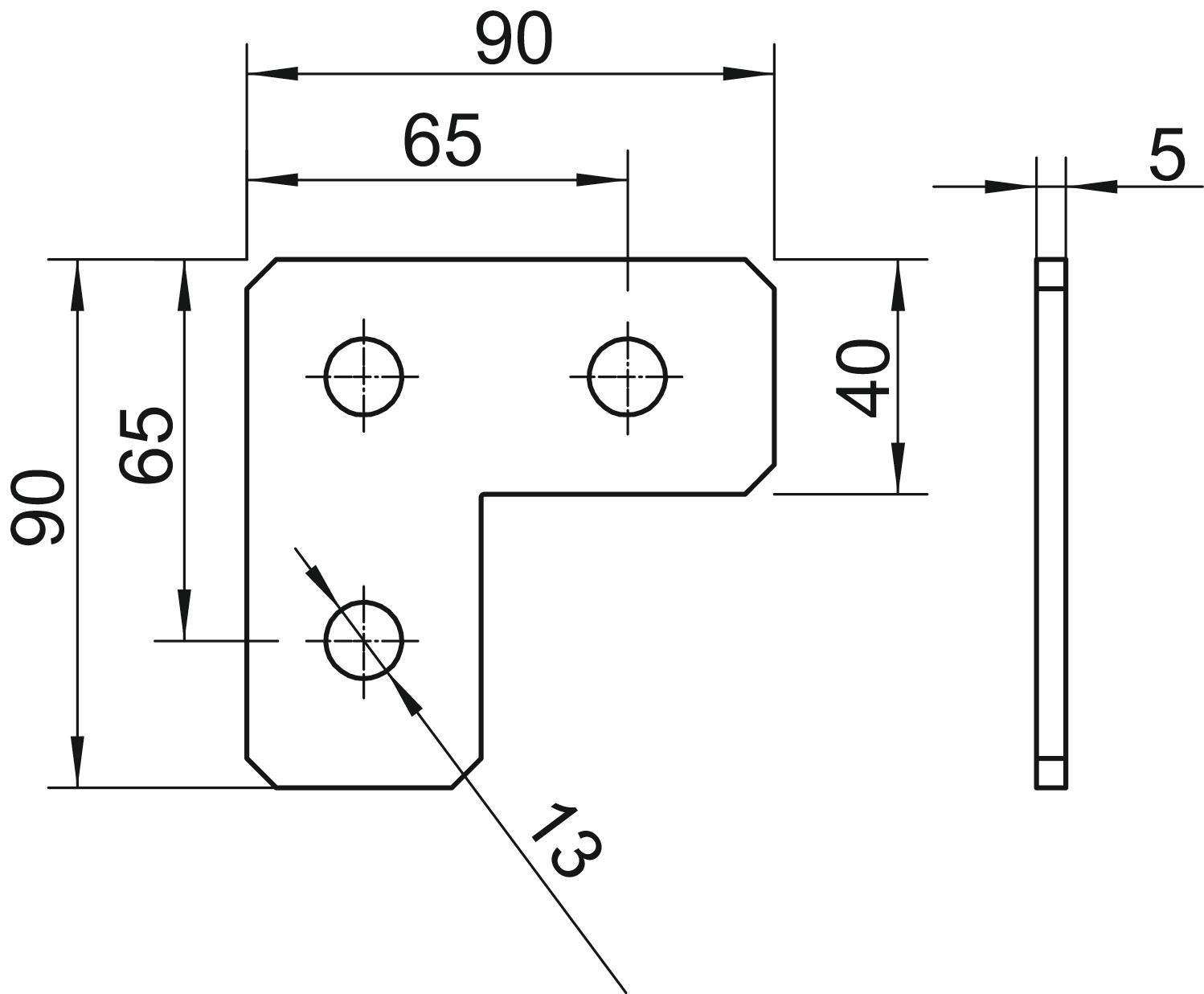
Piastra di giunzione con 3 fori per il collegamento angolare di profilati 41 x 41 mm e 41 x 21 mm.


  • Comunità europee, Dichiarazione di conformità CE secondo le linee guida CE
  • Impronta di carbonio (PCF)
  • Imballaggio senza plastica
Dati tecnici

Dati tecnici

Acciaio inossidabile, decapato no
Adatto per forme profilate Profilo a C
Altezza 4 mm
Con accessorio viti no
Dimensionee 90x90x40x4
Dimensioni foro 13 mm
Impronta CO2 (GWP) dalla culla al cancello 1,4004 kg CO₂e / 1 Pezzo
Larghezza 40 mm
Lughezza. 90 mm
Materiale Acciaio INOX 1.4301
Spessore materiale 4 mm
Superficie non trattato, ulteriore trattamento
Versione con foratura passante da 13 mm
Tutti i tipi

Tutti i tipi

Tipo Lughezza. Larghezza N. art. Quantità Conf. Prezzo di listino IVA escl.
GMS 3 VP L A2 90 mm 40 mm 1124693
10 pz 2.162,00 CHF Prezzo / 100 pz
Download

Download

Download

GMS 3 VP L A2 / 1124693 GMS 3 VP L A2 / 1124693
Download
mgctlbxN$MZP mgctlbxV$5.2.5 mgctlbxL$C