Passerella per corpi illuminanti FS

N. art. 6055812 | EAN 4012196943937

75 mm
0,75 mm
Acciaio
zincato in continuo
Descrizione del prodotto
Descrizione del prodotto
Passerella corpi illuminanti con fondo forato per il fissaggio di corpi illuminanti e per il passaggio di cavi.
Schermatura magnetica senza coperchio 20 dB, con coperchio 50 dB.

Con versione bianca si tratta di un rivestimento delle superfici a vista.

  • Schermatura magnetica
  • Comunità europee, Dichiarazione di conformità CE secondo le linee guida CE
  • Passerella portacavi, altezza del bordo 60 mm
  • Dichiarazione ambientale di prodotto (EPD)
  • Impronta di carbonio (PCF)
Dati tecnici

Dati tecnici

Acciaio inossidabile, decapato no
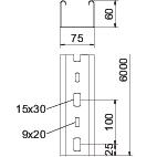
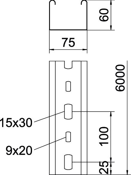
Altezza 60 mm
Colore zinco
Dimensionee 60x75x6000
Distanza tra gli appoggi 1,5 m 0,8 kN/m
Distanza tra gli appoggi 2,0 m 0,55 kN/m
Distanza tra gli appoggi 2,5 m 0,35 kN/m
Distanza tra gli appoggi 3,0 m 0,25 kN/m
Foratura laterale
Foro di montaggio nel pavimento
Impronta CO2 (GWP) dalla culla al cancello 2,8026 kg CO2e / 1 Metro
Larghezza 75 mm
Lughezza. 6000 mm
Materiale Acciaio
Sezione utile 42 cm²
Spessore lamiera 0,75 mm
Superficie zincato in continuo
Tipo di giunto sistema portacavi avvitato
Tipo di prova di carico secondo IEC 61537 Tipo II
Versione connettore senza connettore

Dati tecnici

Schema di sollecitazione passerella per corpi illuminanti tipo LTR

Schema di sollecitazione passerella per corpi illuminanti tipo LTR
  • Carico passerella-cavi ammesso in kN/m senza peso operatore Carico passerella-cavi ammesso in kN/m senza peso operatore
  • Distanza tra gli appoggi in m Distanza tra gli appoggi in m
  • Flessione passerella in mm con kN/m ammessi Flessione passerella in mm con kN/m ammessi
  • Flessione di carico nella procedura di prova Flessione di carico nella procedura di prova
  • Curva di carico per larghezza passerella in mm Curva di carico per larghezza passerella in mm
  • Curva di flessione passerella in base alla distanza tra gli appoggi Curva di flessione passerella in base alla distanza tra gli appoggi
Tutti i tipi

Tutti i tipi

Tipo Lughezza. Larghezza Spessore lamiera Materiale Superficie N. art. Quantità Conf. Prezzo di listino IVA escl.
LTR 3000 FS 3000 mm 75 mm 0,75 mm Acciaio zincato in continuo 6055810
3 m 19,23 CHF Prezzo / 1 m
LTR 6000 FS 6000 mm 75 mm 0,75 mm Acciaio zincato in continuo 6055812
6 m 19,23 CHF Prezzo / 1 m
Accessorio

Accessori del sistema

Prodotti Tipo N. art. Quantità Conf. Prezzo di listino IVA escl.
Coperchio con bussola girevole FS Coperchio con bussola girevole FS DRL 075 FS 6052029
3 m 24,07 CHF Prezzo / 1 m
Set giunti longitudinali FS Set giunti longitudinali FS RV 607 FS 6068150
10 pz 8,03 CHF Prezzo / 1 pz
Supporto centrale per passerella corpi illuminanti FS Supporto centrale per passerella corpi illuminanti FS MAH LTR FS 6358810
25 pz 10,90 CHF Prezzo / 1 pz
Download

Download

Dichiarazione di conformità UE LTR 6000 FS / 6055812 , 0.13MB , pdf
Download
REACH Dichiarazione di conformità LTR 6000 FS / 6055812 , 0.12MB , pdf
RoHS Dichiarazione di conformità LTR 6000 FS / 6055812 , 0.12MB , pdf
Dichiarazione ambientale di prodotto (EPD) LTR 6000 FS / 6055812 , 1.48MB , pdf
Download

Download

LTR 6000 FS / 6055812 LTR 6000 FS / 6055812
Download