Limitatore di sovratensione MDP-3 D-48-T

N. art. 5098446 | EAN 4012195406907

41 V
58 V
Morsetto
Descrizione del prodotto
Descrizione del prodotto
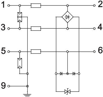
Sistema di protezione con funzione di prova; versione 48 V

• Corrente nominale fino a 0,58 A
• Apparecchio di protezione per sistemi multicoppia
• Messa a terra schermata diretta e con morsetti di collegamento senza vite
• lngombro di installazione in soli 8,7 mm
• Possibilità di verifica della protezione con Life Control
• Elevata frequenza di trasmissione dati fino a 100 MHz
• certificato UL (4DG1)

Applicazione: impiego universale sulle guide DIN da 35 mm in scatola di derivazione.
  • Underwriters Laboratories Inc., USA
  • 5 anni di garanzia
  • Comunità europee, Dichiarazione di conformità CE secondo le linee guida CE
  • Impianti di misura, comando e regolazione
  • LifeControl
  • Passaggio da LPZ 0 a 3
  • Installation electrotechnical expertise
  • Impronta di carbonio (PCF)
  • Imballaggio senza plastica
Dati tecnici

Dati tecnici

Attenuazione d’inserimento (insertion loss) ≤3 dB
Capacità (filo-filo) < 40 pF
Collegamento schermo
Contatto di segnalazione a distanza no
Corrente di carico nominale AC 0,4 A
Corrente di carico nominale DC 0,58 A
Corrente nominale di scarica totale (10/350) D1: 1,5 kA
Corrente nominale di scarica totale (8/20) 7,5 kA
Dimensionee 48V
Frequenza limite 100 MHz
Grado di protezione IP20
Impronta CO2 (GWP) dalla culla al cancello 0,2595 kg CO2e / 1 Pezzo
Kategorie Tipo 1+2+3 / D1+C2+C1
Livello di protezione @ C1 <110 V
Livello di protezione filo - filo <95 V
Livello di protezione filo - terra <800 V
LPZ 0→3
Messa a terra tramite: Profilato Omega
Monitoraggio limitatore no
Numero poli 3
Omologazioni UL
Prüfnorm IEC 61643-21
Range di temperatura di esercizio max 80 °C
Range di temperatura di esercizio min. -40 °C
Resistenza alla corrente impulsiva filo-filo C1: 0,5 kV / 0,25 kA (8/20µs)
Resistenza alla corrente impulsiva filo-terra C2: 5 kV / 2,5 kA (8/20µs)
Resistenza d'isolamento >100 MΩ
Resistenza di serie per filo 2,35 Ω ± 5 %
Schermatura diretto
Segnalazione sull'apparecchio leggibile
Sezione attacco a più fili max 1,5 mm²
Sezione attacco a più fili min. 0,14 mm²
Sezione attacco flessibile max 2,5 mm²
Sezione attacco flessibile min. 0,14 mm²
Sezione attacco rigida max 2,5 mm²
Sezione attacco rigida min. 0,14 mm²
Sistema estraibile Morsetto
SPD secondo IEC 61643-21 Classe I+II+III / D1+C2+C1
Tensione massima continua AC 41 V
Tensione massima continua DC 58 V
Tensione nominale 48 V
Versione testata per esplosione (EX) no
Tutti i tipi

Tutti i tipi

Tipo Numero poli Tensione massima continua AC Tensione massima continua DC Sistema estraibile N. art. Quantità Conf. Prezzo di listino IVA escl.
MDP-2 D-48-T 2 41 V 58 V Morsetto 5098442
1 pz 74,95 CHF Prezzo / 1 pz
MDP-3 D-48-T 3 41 V 58 V Morsetto 5098446
1 pz 109,55 CHF Prezzo / 1 pz
MDP-4 D-48-T 4 41 V 58 V Morsetto 5098450
1 pz 144,10 CHF Prezzo / 1 pz
Accessorio

Accessori del sistema

Prodotti Tipo N. art. Quantità Conf. Prezzo di listino IVA escl.
Morsettiera di messa a terra Morsettiera di messa a terra VB-MDP 10-MD 5098470
1 pz 8,70 CHF Prezzo / 1 pz
Download

Download

Download

Dichiarazione di conformità UE MDP-3 D-48-T / 5098446 , 0.13MB , pdf
Download
REACH Dichiarazione di conformità MDP-3 D-48-T / 5098446 , 0.12MB , pdf
RoHS Dichiarazione di conformità MDP-3 D-48-T / 5098446 , 0.13MB , pdf

Download
Download

MDP-3 D-48-T / 5098446 MDP-3 D-48-T / 5098446
Download