Limitatore di sovratensione FLD 5

N. art. 5098600 | EAN 4012195578369

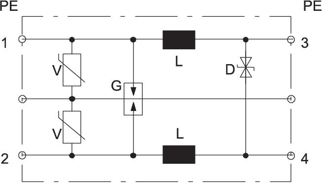
2
Morsetto
Descrizione del prodotto
Descrizione del prodotto
Protezione da sovratensione, per sistemi di misura, comando e regolazione
 
• Protezione media e alta
• Versione standard per sistemi a due fili
• Connessione di sicurezza a due livelli
• Con morsetti di collegamento senza viti per un facile montaggio
• In passo salvaspazio di 17,5 mm
• Con accoppiamento induttivo nella derivazione longitudinale
 
Utilizzo: inserimento universale su guide DIN comuni da 35 mm, in ogni scatola di distribuzione comunemente in commercio.
  • Underwriters Laboratories Inc., USA
  • 5 anni di garanzia
  • Comunità europee, Dichiarazione di conformità CE secondo le linee guida CE
  • Passaggio da LPZ 0 a 3
  • Impianti di misura, comando e regolazione
  • Installation electrotechnical expertise
  • Impronta di carbonio (PCF)
  • Imballaggio senza plastica
Dati tecnici

Dati tecnici

Attenuazione d’inserimento (insertion loss) 3 dB @ 180 kHz dB
Capacità (filo-filo) <10 nF
Capacità (filo-terra) <1 nF
Collegamento schermo no
Contatto di segnalazione a distanza no
Corrente di carico nominale AC 0,7 A
Corrente di carico nominale DC 1 A
Corrente impulsiva 1,5 kA
Corrente nominale di dispersione (8/20 µs) 5 kA
Corrente nominale di scarica totale (10/350) D1: 3 kA
Corrente nominale di scarica totale (8/20) 10 kA
Dimensionee 5V AC
Frequenza limite 0,18 MHz
Grado di protezione IP20
Impronta CO2 (GWP) dalla culla al cancello 0,2664 kg CO2e / 1 Pezzo
Induttività di serie per filo 120 µH ± 20 %
Kategorie Tipo 1+2+3 / D1+C2+C1
Livello di protezione filo - filo <15 V
Livello di protezione filo - terra <600 V
LPZ 0→3
Messa a terra tramite: NULL
Numero poli 2
Omologazioni UL
Prüfnorm IEC 61643-21
Range di temperatura di esercizio max 80 °C
Range di temperatura di esercizio min. -40 °C
Resistenza alla corrente impulsiva filo-filo C1: 1 kV / 0,5 kA (8/20µs)
Resistenza alla corrente impulsiva filo-terra C2: 10 kV / 5 kA (8/20µs)
Resistenza d'isolamento >1 MΩ
Sezione attacco a più fili max 2,5 mm²
Sezione attacco a più fili min. 0,14 mm²
Sezione attacco flessibile max 2,5 mm²
Sezione attacco flessibile min. 0,14 mm²
Sezione attacco rigida max 2,5 mm²
Sezione attacco rigida min. 0,14 mm²
Sistema estraibile Morsetto
SPD secondo IEC 61643-21 Classe I+II+III / D1+C2+C1
Tensione massima continua AC 5 V
Tensione massima continua DC 8 V
Unità di separazione TE (17,5 mm) 1
Versione testata per esplosione (EX) no
Tutti i tipi

Tutti i tipi

Tipo Numero poli Tensione massima continua AC Tensione massima continua DC Sistema estraibile N. art. Quantità Conf. Prezzo di listino IVA escl.
FLD 5 2 5 V 8 V Morsetto 5098600
1 pz 126,85 CHF Prezzo / 1 pz
FLD 12 2 9 V 13 V Morsetto 5098603
1 pz 126,85 CHF Prezzo / 1 pz
FLD 24 2 19 V 28 V Morsetto 5098611
1 pz 126,85 CHF Prezzo / 1 pz
FLD 48 2 37 V 53 V Morsetto 5098630
1 pz 126,85 CHF Prezzo / 1 pz
FLD 110 2 86 V 122 V Morsetto 5098646
1 pz 126,85 CHF Prezzo / 1 pz
Download

Download

Download

Dichiarazione di conformità UE FLD 5 / 5098600 , 0.13MB , pdf
Download
REACH Dichiarazione di conformità FLD 5 / 5098600 , 0.10MB , pdf
RoHS Dichiarazione di conformità FLD 5 / 5098600 , 0.13MB , pdf

Download
Download

FLD 5 / 5098600 FLD 5 / 5098600
Download