Limitatore combinato V50, 3 poli+NPE con FS 385 V

N. art. 5093592 | EAN 4012196398621

385 V
IP20
Descrizione del prodotto
Descrizione del prodotto
Scaricatore combinato per corrente da fulmine di tipo 1+2
• Installazione con parafulmine secondo VDE 0185-305 (IEC 62305)
• Capacità di scarica di corrente da fulmine 12,5 kA (10/350) per polo e fino a 50 kA (10/350) totale
• Limitatore modulare estraibile completo di sistema di disconnessione e indicatore visivo di stato
• Connessione ad incastro con protezione da vibrazione e codifica della tensione
• Plastica secondo UL 94 V-0
• Le versioni FS sono dotate di contatto in scambio, privo di potenziale, per la segnalazione di guasto a distanza
Utilizzo: installabile in strutture dotate di parafulmine con classe III e IV.
* Cartuccia singola
  • KEMA-KEUR, Paesi Bassi
  • Österreichischer Verband für Elektrotechnik, Austria
  • Associazione di elettrotecnica, elettronica, tecnologia di informazioni e.V., Germania
  • Underwriters Laboratories Inc., USA + CSA, Canada
  • 5 anni di garanzia
  • Comunità europee, Dichiarazione di conformità CE secondo le linee guida CE
  • EurAsian Conformity
  • Regulatory Compliance Mark - Dichiarazione di conformità per Australia / Nuova Zelanda
  • Passaggio da LPZ 0 a 2.
  • Limitatore di protezione combinato del tipo 1 e tipo 2
  • Installation electrotechnical expertise
  • Segnalazione a distanza
  • Impronta di carbonio (PCF)
  • Imballaggio senza plastica
  • Confezione completamente in cartone riciclato
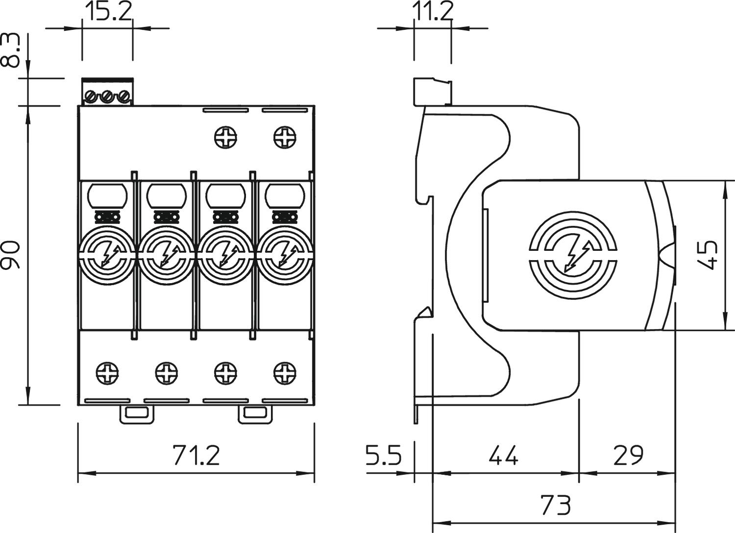
Dati tecnici

Dati tecnici

Capacità di estinzione della corrente susseguente (eff) [N-PE] 0,1 kA
Contatti FM In scambio
Corrente nominale di dispersione (8/20 µs) 30 kA
Corrente nominale di dispersione (8/20 µs) [L-N] 30 kA
Corrente nominale di scarica (8/20 µs) [totale] 80 kA
Corrente nominale di scarica massima (8/20 μs) 50 kA
Corrente nominale di scarica massima (8/20 μs) [L-N] 50 kA
Dimensionee 385V
Distanza minima 1,5 mm
Forma della rete altro
Forma della rete TN
Forma della rete TN-C-S
Forma della rete TN-S
Forma della rete TT
Fusibile integrato no
Grado di protezione IP20
Impronta CO2 (GWP) dalla culla al cancello 2,6993 kg CO2e / 1 Pezzo
Impulso di corrente da fulmine (10/350) [totale] 50 kA
Impulso di corrente da fulmine (10/350 μs) 12,5 kA
Livello di protezione complessivo [L-PE] 2,5 kV
Livello di protezione [L-N] ≤1,7
Massima potenza fusibile 160 A
Materiale Poliammide
Materiale cassetta PA UL 94 V-0
Momento torcente 4 Nm
Numero di poli 4
Omologazioni VDE, KEMA, UL, ÖVE
Potenza di commutazione AC 230 V; 0,5 A
Potenza di commutazione DC 230 V; 0,1 A / 75 V; 0,5 A
Protezione massima da sovracorrente in rete 160 A gL/gG
Range di temperatura di esercizio max 80 °C
Range di temperatura di esercizio min. -40 °C
Resistenza ai cortocircuiti con protezione massima da sovracorrente in rete 50 kA eff
Segnalazione a distanza
Segnalazione sull'apparecchio ottico
Sezione collegamento morsetti FM max 16 AWG
Sezione collegamento morsetti FM max 1,5 mm²
Sezione collegamento morsetti FM min. 21 AWG
Sezione collegamento morsetti FM min. 0,5 mm²
Sezione del conduttore flessibile (a filo sottile) max 35 mm²
Sezione del conduttore flessibile (a filo sottile) max 2 AWG
Sezione del conduttore flessibile (a filo sottile) min. 16 AWG
Sezione del conduttore flessibile (a filo sottile) min. 1,5 mm²
Sezione rigida del conduttore (cavo pieno/a treccia) max 2 AWG
Sezione rigida del conduttore (cavo pieno/a treccia) max 35 mm²
Sezione rigida del conduttore (cavo pieno/a treccia) min. 16 AWG
Sezione rigida del conduttore (cavo pieno/a treccia) min. 1,5 mm²
Soffiante no
SPD secondo EN 61643-11 Tipo 1+2
SPD secondo IEC 61643-1 classe I+II
SPD secondo UL 1449 Tipo 4
Temperatura d'esercizio max 80 °C
Temperatura d'esercizio min. -40 °C
Tempo di reazione <25 ns
Tensione continua massima (L-N) 385 V
Tensione continua massima (N-PE) 255 V
Tensione massima continua AC 385 V
Tensione nominale AC (50 / 60 Hz) 230 V
Tensione residua [L-N] @ 1 kA 1,1 kV
Tensione residua [L-N] @ 12,5 kA 1,3 kV
Tensione residua [L-N] @ 5 kA 1,2 kV
Tensione TOV [L-N] - fail safe mode - 120 min 670 V
Tensione TOV [L-N] - withstand mode - 5 s 510 V
Tensione TOV [N-PE] - withstand mode - 200 ms 1200 V
Tipo di montaggio Barra DIN 35 mm
Umidità dell'aria max 95 %
Umidità dell'aria min. 5 %
Versione dei poli 3+N/PE
Tutti i tipi

Tutti i tipi

Tipo Versione dei poli Tensione massima continua AC Grado di protezione N. art. Quantità Conf. Prezzo di listino IVA escl.
V50-3+NPE+FS-385 3+N/PE 385 V IP20 5093592
1 pz 697,30 CHF Prezzo / 1 pz
V50-1+NPE+FS-385 1+N/PE 385 V IP20 5093590
1 pz 357,30 CHF Prezzo / 1 pz
Download

Download

Download
Download

Dichiarazione di conformità UE V50-3+NPE+FS-385 / 5093592 , 0.13MB , pdf
Download

V50-3+NPE+FS-385 / 5093592 V50-3+NPE+FS-385 / 5093592
Download