Guarnizione per conduttore piatto

N. art. 2360043 | EAN 4012196421053

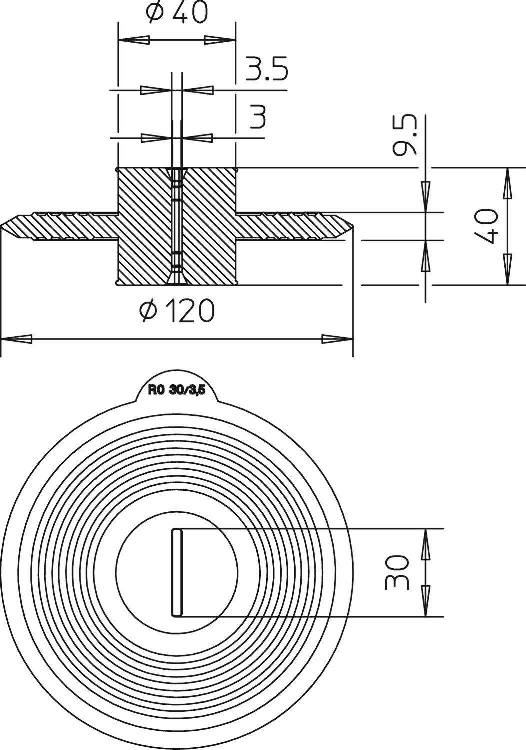
2360043 / DW FL30x3,5
FL 30x3,5 mm
Descrizione del prodotto
Descrizione del prodotto
• Guarnizione per passaggi in fondazione/pareti impermeabili
(ad es. vasca bianca)
• per il montaggio su alette di collegamento con nastri di fissaggio in acciaio inox
• con prova di acqua pressurizzata fino a 5 bar
• a norma DIN EN 62561-5 (VDE 0185-561-5)
Dati tecnici

Dati tecnici

Accoppiamento FL 30x3,5 mm
Colore arancio pastello; RAL 2003
Dimensionee 30x3,5
Materiale Elastomero termoplastico
Tutti i tipi

Tutti i tipi

Tipo Accoppiamento N. art. Quantità Conf. Prezzo di listino IVA escl.
DW FL30x3,5 FL 30x3,5 mm 2360043
1 pz 7.066,34 CHF Prezzo / 100 pz
Download

Download

REACH Dichiarazione di conformità DW FL30x3,5 / 2360043 , 0.12MB , pdf
RoHS Dichiarazione di conformità DW FL30x3,5 / 2360043 , 0.12MB , pdf

Download

DW FL30x3,5 / 2360043 DW FL30x3,5 / 2360043
Download