Gancio da tetto pesante per il montaggio del modulo FV, tetto di tegole

N. art. 5901416 | EAN 4012197451165

Descrizione del prodotto
Descrizione del prodotto
Gancio da tetto pesante per il montaggio di moduli fotovoltaici su tetti inclinati in combinazione con profilato di supporto TP 45. Per tetti di tegole. Fissaggio al profilato di supporto con vite con dado a martello tipo SKSHM A2. Montaggio al puntone con viti a testa svasata TKS.
  • Comunità europee, Dichiarazione di conformità CE secondo le linee guida CE
  • Impronta di carbonio (PCF)
  • Imballaggio senza plastica
  • Confezione completamente in cartone riciclato
Dati tecnici

Dati tecnici

Adatto al fissaggio del tetto fotovoltaico/fissaggio facciata Fissaggio su tetto inclinato
Adatto al materiale del tetto Tegola
Allineamento orizzontale
Altezza piastra di fissaggio 5 mm
Ancoraggio avvitare
Angolo di inclinazione min. 90 °
Colore acciaio inox
Con piastra di montaggio
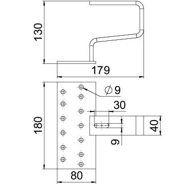
Dimensionee 192x180x130
Impronta CO2 (GWP) dalla culla al cancello 6,5458 kg CO2e / 1 Pezzo
Larghezza 120 mm
Larghezza piastra di fissaggio 80 mm
Lunghezza piastra di fissaggio 180 mm
Materiale Acciaio INOX 1.4301
Penetrazione del tetto
Regolabile no
Spessore materiale 8 mm
Superficie decapato
Tutti i tipi

Tutti i tipi

Tipo N. art. Quantità Conf. Prezzo di listino IVA escl.
DHS A2 5901416
10 pz 21,95 CHF Prezzo / 1 pz
Download

Download

Download

DHS A2 / 5901416
Download