- Description du produit
-
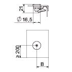
Description du produitVerrou tournant à monter ultérieurement ou en supplément.
En fonction du type de couvercle, la taille B varie comme suit:
DRL / DRLU = 27 mm
DBKR = 27 mm
WDRL = 38 mm
WKLD = 58 mm
Verrou tournant d'un seul côté. Utilisable pour une largeur de couvercle de 100 à 600 mm.
-
- Caractéristiques techniques
-
Caractéristiques techniques
Acier inoxydable, décapé non Coloris zinc Convient pour chemin de câbles oui Convient pour chemin de câbles en treillis non Convient pour échelle à câbles oui Dimension Ø20 mm Empreinte CO2 (GWP) du berceau à la porte 0,1265 kg CO2e / 1 Pièce Matériau acier Surface galvanisé à chaud par trempage - Tous les types
- Téléchargements
-
Fiche technique DRL H S FT / 6065018 , 0.19MB , pdfCatalogue Cable support systems , 54.52MB , pdfDéclaration de conformité UE DRL H S FT / 6065018 , 0.13MB , pdfDéclaration de conformité UK DRL H S FT / 6065018 , 0.09MB , pdfREACH Déclaration de conformité DRL H S FT / 6065018 , 0.12MB , pdfRoHS Déclaration de conformité DRL H S FT / 6065018 , 0.13MB , pdfAide à la sélection Selection aid for cable trays, Magic , 0.23MB , pdfAide à la sélection Selection aid cable trays, screwable , 2.17MB , pdfInstructions de montage Latchable Magic cable tray systems , 12.24MB , pdfInstructions de montage Instructions de montage Systèmes de chemins de câbles à visser , 9.41MB , pdfInstructions de montage Screwable cable trays with fittings for screwing and clamping , 5.98MB , pdfInstructions de montage Instructions de montage verrou tournant Helix , 0.11MB , pdf
Suisse - Français