Protection des données informatiques enfichable, 2x2 pôles, mise à la terre directe avec OS, 24 V

Réf. 5080361 | EAN 4012196742264

4
2x2 pôles
Borne
Description du produit
Description du produit
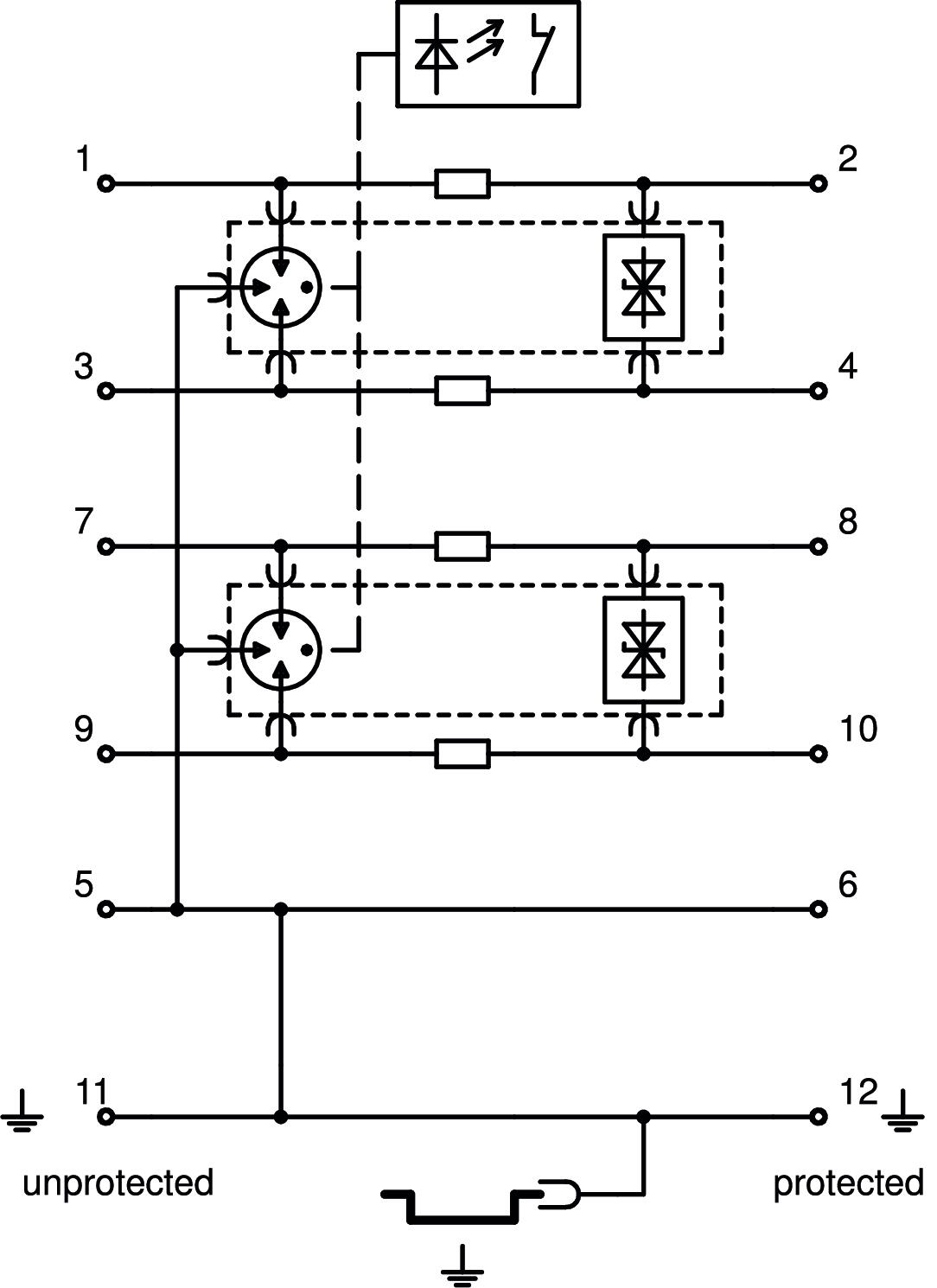
Protection des données informatiques enfichable de type 1+2/D1+C2 pour l’utilisation dans la technique de mesure, de commande et de régulation

• Appareil de protection pour système multifilaires
• Mise à la terre directe du blindage
• Plage de fréquence jusqu’à 100 MHz
• Mise à la terre possible par le biais du profilé-support ou du câble de raccordement
• Petite largeur de montage de 17,5 mm
• Disponibilité élevée de l’installation - aucune interruption de signal sans module de protection
• Avec signalisation optique et possibilité de signalisation à distance par le biais de l’alimentation électrique PDP-PS
• Connecteur bus intégré inclus

Application : parasurtenseur et parafoudre universel pour appareils de transmission de données dans la technique MCR.
  • Garantie 5 ans
  • Communautés Européennes, CE Déclaration de conformité selon directives CE
  • Installations de mesure, commande et régulation
  • Passage de ZPF 0 jusqu'à 2
  • Expertise électrotechnique de l'installation
  • Empreinte CO₂ (PCF)
Caractéristiques techniques

Caractéristiques techniques

Affaiblissement d’insertion (insertion loss) ≤3 dB
Blindage direct
Capacité (fil-fil) ≤30 pF
Capacité (fil-terre) ≤30 pF
Courant de charge nominal CA 0,425 A
Courant de charge nominal CC 0,6 A
Courant de fuite nominal (8/20 μs) 10 kA
Courant de fuite nominal In selon C2 (total) 20 kA
Courant de fuite total (10/350) 5 kA
Courant de fuite total (8/20) 20 kA
Courant d’impulsion 2,5 kA
Dimension 24V
Empreinte CO2 (GWP) du berceau à la porte 0,7765 kg CO2e / 1 Pièce
Fréquence limite 100 MHz
Hauteur 95 mm
Indice de protection IP20
Kategorie Type 1+2 / D1+C2
Largeur 17,5 mm
Longueur 75 mm
LPZ 0→2
Mise à la terre par : Câble de raccordement/Rail DIN
Modèle 2x2 pôles
Montage Entrée/sortie Bornes à vis
Niveau de protection fil - fil 150 V
Niveau de protection fil - terre 850 V
nombre de pôles 4
Norme d'essais IEC 61643-21
Plage de températures d’utilisation max. 80 °C
Plage de températures d’utilisation min. -40 °C
Raccordement du blindage oui
Résistance au courant de choc fil - fil 10 kV / 5 kA
Résistance au courant de choc fil - terre 10 kV / 5 kA
Résistance longitudinale 1.2 ± 5%
Résistance série par fil 1,2 Ω ± 5%
Section de raccordement flexible max. 1,5 mm²
Section de raccordement flexible min. 0,14 mm²
Section de raccordement multifilaire max. 2,5 mm²
Section de raccordement multifilaire min. 0,14 mm²
Section de raccordement rigide max. 2,5 mm²
Section de raccordement rigide min. 0,14 mm²
signalisation sur l'appareil aucun
SPD selon CEI 61643-1 classe I+II
SPD selon CEI 61643-21 Classe I+II / D1+C2
SPD selon EN 61643-11 Type 1+2
système enfichable Borne
Tension max. permanente CA 21 V
Tension max. permanente CC 30 V
Tous les types

Tous les types

Type nombre de pôles Modèle Tension max. permanente CA Tension max. permanente CC système enfichable Réf. Quantité Plus petite unité de vente Prix de tarif TVA excl.
PDP-2x2-5-D-OS 4 2x2 pôles 4,2 V 6 V Borne 5080357
1 Pièce 268,80 CHF Prix / 1 Pièce
PDP-2x2-12-D-OS 4 2x2 pôles 12 V 16 V Borne 5080359
1 Pièce 268,80 CHF Prix / 1 Pièce
PDP-2x2-24-D-OS 4 2x2 pôles 21 V 30 V Borne 5080361
1 Pièce 268,80 CHF Prix / 1 Pièce
PDP-2x2-48-D-OS 4 2x2 pôles 37 V 52 V Borne 5080364
1 Pièce 268,80 CHF Prix / 1 Pièce
Téléchargements

Télécharger

Déclaration de conformité UE PDP-2x2-24-D-OS / 5080361 , 0.13MB , pdf
Télécharger

Télécharger
Télécharger

PDP-2x2-24-D-OS / 5080361 PDP-2x2-24-D-OS / 5080361
Télécharger