Échelle à câbles LCIS 60, 6 m C30 A2

Réf. 6207256 | EAN 4012196431700

6000 mm
1,5 mm
non
Description du produit
Description du produit
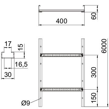
Échelle à câbles d'une hauteur latérale de 60 mm avec échelons soudés à profilé C30 ouvert vers le haut. Longeron latéral enroulé pour le renforcement et la protection des bords. La fixation sur console s'effectue avec des pièces de serrage de type LKS 40. La fente de l'échelon mesure 16,5 mm. La bride de fixation correspondante est de type 2056.
Atténuation magnétique du blindage sans couvercle 10 dB, avec couvercle 15 dB.
  • Communautés Européennes, CE Déclaration de conformité selon directives CE
  • Déclaration de conformité UKCA
  • Échelles à câbles, hauteur latérale 60 mm
  • Déclaration environnementale de produits (EPD)
  • Empreinte CO₂ (PCF)
Caractéristiques techniques

Caractéristiques techniques

Acier inoxydable, décapé oui
Coloris acier inoxydable
Cote B 400 mm
Dimension 60x400x6000
Distance entre les échelons 300 mm
Distance entre support 1,5m 3,3 kN/m
Distance entre support 2,0m 2 kN/m
Distance entre support 4,0m 0,4 kN/m
Distance entre support 4,5m 0,3 kN/m
Distance entre support 5,0m 0,2 kN/m
Distance entre supports 2,5m 1,3 kN/m
Distance entre supports 3,0m 1 kN/m
Distance entre supports 3,5m 0,78 kN/m
Empreinte CO2 (GWP) du berceau à la porte 15,9118 kg CO2e / 1 Mètre
Épaisseur de longeron 1,5 mm
Fente de l’échelon 16,50
Fixation des échelons soudé
Hauteur 60 mm
Largeur 400 mm
Longueur 6000 mm
Matériau acier inoxydable 1.4301
Modèle d'échelons Profilé perforé
Modèle de longeron latéral Profilé plat
Modèle longue portée non
Perforation latérale oui
Section utile 16000 mm²
Section utile 160 cm²
Sécurité de fonctionnement non
Surface nu, traité

Caractéristiques techniques

Diagramme de charge de l'échelle à câbles de type LCIS 60

Diagramme de charge de l'échelle à câbles de type LCIS 60
  • Charge admissible de chemins de câbles/d'échelles à câbles en kN/m sans charge d'homme Charge admissible de chemins de câbles/d'échelles à câbles en kN/m sans charge d'homme
  • Portée en m Portée en m
  • Déflexion de longeron en mm avec kN/m autorisé Déflexion de longeron en mm avec kN/m autorisé
  • Schéma de charge pour le procédé de contrôle Schéma de charge pour le procédé de contrôle
  • Courbe de charge avec largeur du chemin de câbles/de l'échelle à câbles en mm Courbe de charge avec largeur du chemin de câbles/de l'échelle à câbles en mm
  • Courbe de déflexion de longeron en fonction de l'espacement d'appui Courbe de déflexion de longeron en fonction de l'espacement d'appui
Tous les types

Tous les types

Type Longueur Largeur Épaisseur de longeron Sécurité de fonctionnement Réf. Quantité Plus petite unité de vente Prix de tarif TVA excl.
LCIS 620 6 A2 6000 mm 200 mm 1,5 mm non 6207252
6 m 163,60 CHF Prix / 1 m
LCIS 630 6 A2 6000 mm 300 mm 1,5 mm non 6207254
6 m 176,64 CHF Prix / 1 m
LCIS 640 6 A2 6000 mm 400 mm 1,5 mm non 6207256
6 m 189,75 CHF Prix / 1 m
LCIS 650 6 A2 6000 mm 500 mm 1,5 mm non 6207258
6 m 203,30 CHF Prix / 1 m
LCIS 660 6 A2 6000 mm 600 mm 1,5 mm non 6207260
6 m 217,02 CHF Prix / 1 m
Accessoires

Accessoires du système

Produits Type ELDAS-No. Réf. Quantité Plus petite unité de vente Prix de tarif TVA excl.
Couvercle, non perforé A2 Couvercle, non perforé A2 DRLU 300 A2 ----- 6052834
3 m 163,39 CHF Prix / 1 m
Raccord droit A2 Raccord droit A2 LVG 60 A2 127 068 509 6208846
10 Pièce 14,64 CHF Prix / 1 Pièce
Raccord coudé 60 A2 Raccord coudé 60 A2 LWVG 60 A2 127 068 519 6208898
10 Pièce 15,67 CHF Prix / 1 Pièce
Raccord articulé A2 Raccord articulé A2 LGVG 60 A2 127 068 529 6208947
10 Pièce 30,53 CHF Prix / 1 Pièce
Coude à 90° 60 A2 Coude à 90° 60 A2 LB 90 640 R3 A2 127 004 139 6225086
1 Pièce 313,18 CHF Prix / 1 Pièce
Pièce en T60 A2 Pièce en T60 A2 LT 640 R3 A2 127 005 239 6225254
1 Pièce 537,56 CHF Prix / 1 Pièce
Dérivation à monter 60 A2 Dérivation à monter 60 A2 LAA 640 R3 A2 ----- 6225886
1 Pièce 475,76 CHF Prix / 1 Pièce
Élément de coude articulé 60 A2 Élément de coude articulé 60 A2 LGBE 640 A2 ----- 6225464
1 Pièce 145,99 CHF Prix / 1 Pièce
Embout de protection 60 Embout de protection 60 SKH 60 OR 127 008 359 6222537
40 Paire 5,16 CHF Prix / 1 Paire
Support A2 Support A2 LAS 60 A2 ----- 6221386
10 Pièce 12,42 CHF Prix / 1 Pièce
Séparateur 45 A2 Séparateur 45 A2 TSG 45 A2 ----- 6062025
3 m 31,37 CHF Prix / 1 m
Tôle de départ A2 Tôle de départ A2 LAB 40 A2 ----- 7164033
1 Pièce 93,42 CHF Prix / 1 Pièce
Tôle de fond A2 Tôle de fond A2 ELB-L40 A2 ----- 6103622
3 m 278,21 CHF Prix / 1 m
Téléchargements

Télécharger

Déclaration de conformité UE LCIS 640 6 A2 / 6207256 , 0.13MB , pdf
Télécharger
Déclaration environnementale de produits (EPD) LCIS 640 6 A2 / 6207256 , 1.48MB , pdf
Télécharger

Télécharger

LCIS 640 6 A2 / 6207256 LCIS 640 6 A2 / 6207256
Télécharger