Échelle à câbles LCIS 60, 3 m C30 FS

Réf. 6209610 | EAN 4012196487578

3000 mm
1,5 mm
non
Description du produit
Description du produit
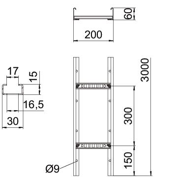
Échelle à câbles d'une hauteur latérale de 60 mm avec échelons soudés à profilé C30 ouvert vers le haut. Longeron latéral enroulé pour le renforcement et la protection des bords. La fixation sur console s'effectue avec des pièces de serrage de type LKS 40. La fente de l'échelon mesure 16,5 mm. La bride de fixation correspondante est de type BS-H....
Atténuation magnétique du blindage sans couvercle 10 dB, avec couvercle 15 dB.
  • Communautés Européennes, CE Déclaration de conformité selon directives CE
  • Déclaration de conformité UKCA
  • Échelles à câbles, hauteur latérale 60 mm
  • Déclaration environnementale de produits (EPD)
  • Empreinte CO₂ (PCF)
Caractéristiques techniques

Caractéristiques techniques

Acier inoxydable, décapé non
Coloris zinc
Cote B 200 mm
Dimension 60x200x3000
Distance entre les échelons 300 mm
Distance entre support 1,5m 3,3 kN/m
Distance entre support 2,0m 2 kN/m
Distance entre support 4,0m 0,4 kN/m
Distance entre support 4,5m 0,3 kN/m
Distance entre support 5,0m 0,2 kN/m
Distance entre supports 2,5m 1,3 kN/m
Distance entre supports 3,0m 1 kN/m
Distance entre supports 3,5m 0,78 kN/m
Empreinte CO2 (GWP) du berceau à la porte 6,4364 kg CO2e / 1 Mètre
Épaisseur de longeron 1,5 mm
Fente de l’échelon 17,00
Fixation des échelons soudé
Hauteur 60 mm
Largeur 200 mm
Longueur 3000 mm
Matériau acier
Modèle d'échelons Profilé perforé
Modèle de longeron latéral Profilé plat
Modèle longue portée non
Perforation latérale oui
Section utile 8000 mm²
Section utile 80 cm²
Sécurité de fonctionnement non
Surface galvanisé sendzimir

Caractéristiques techniques

Diagramme de charge de l'échelle à câbles de type LCIS 60

Diagramme de charge de l'échelle à câbles de type LCIS 60
  • Charge admissible de chemins de câbles/d'échelles à câbles en kN/m sans charge d'homme Charge admissible de chemins de câbles/d'échelles à câbles en kN/m sans charge d'homme
  • Portée en m Portée en m
  • Déflexion de longeron en mm avec kN/m autorisé Déflexion de longeron en mm avec kN/m autorisé
  • Schéma de charge pour le procédé de contrôle Schéma de charge pour le procédé de contrôle
  • Courbe de charge avec largeur du chemin de câbles/de l'échelle à câbles en mm Courbe de charge avec largeur du chemin de câbles/de l'échelle à câbles en mm
  • Courbe de déflexion de longeron en fonction de l'espacement d'appui Courbe de déflexion de longeron en fonction de l'espacement d'appui
Tous les types

Tous les types

Type Longueur Largeur Épaisseur de longeron Sécurité de fonctionnement Réf. Quantité Plus petite unité de vente Prix de tarif TVA excl.
LCIS 610 3 FS 3000 mm 100 mm 1,5 mm non 6209608
3 m 38,86 CHF Prix / 1 m
LCIS 620 3 FS 3000 mm 200 mm 1,5 mm non 6209610
3 m 42,00 CHF Prix / 1 m
LCIS 630 3 FS 3000 mm 300 mm 1,5 mm non 6209612
3 m 44,04 CHF Prix / 1 m
LCIS 640 3 FS 3000 mm 400 mm 1,5 mm non 6209614
3 m 46,29 CHF Prix / 1 m
LCIS 650 3 FS 3000 mm 500 mm 1,5 mm non 6209616
3 m 49,38 CHF Prix / 1 m
LCIS 660 3 FS 3000 mm 600 mm 1,5 mm non 6209618
3 m 52,39 CHF Prix / 1 m
Accessoires

Accessoires du système

Produits Type ELDAS-No. Réf. Quantité Plus petite unité de vente Prix de tarif TVA excl.
Couvercle avec verrou tournant FS Couvercle avec verrou tournant FS DRL 200 FS 127 013 039 6052207
3 m 38,02 CHF Prix / 1 m
Raccord droit FS Raccord droit FS LVG 60 FS 127 008 019 6208840
10 Pièce 5,40 CHF Prix / 1 Pièce
Raccord coudé 60 FS Raccord coudé 60 FS LWVG 60 FS 127 008 319 6208895
10 Pièce 6,72 CHF Prix / 1 Pièce
Raccord articulé FS Raccord articulé FS LGVG 60 FS 127 008 119 6208941
10 Pièce 16,30 CHF Prix / 1 Pièce
Éclisse multifonction FS Éclisse multifonction FS LMFV 620 FS 127 098 109 6225710
1 Pièce 58,95 CHF Prix / 1 Pièce
Coude à 90° 60 FS Coude à 90° 60 FS LB 90 620 R3 FS 127 004 419 6225042
1 Pièce 130,53 CHF Prix / 1 Pièce
Pièce en Té 60 FS Pièce en Té 60 FS LT 620 R3 FS 127 066 109 6225210
1 Pièce 341,37 CHF Prix / 1 Pièce
Dérivation à monter 60 FS Dérivation à monter 60 FS LAA 620 R3 FS 127 115 069 6225850
1 Pièce 300,99 CHF Prix / 1 Pièce
Élément de coude articulé 60 FS Élément de coude articulé 60 FS LGBE 620 FS 127 018 079 6225450
1 Pièce 109,94 CHF Prix / 1 Pièce
Embout de protection 60 Embout de protection 60 SKH 60 OR 127 008 359 6222537
40 Paire 5,16 CHF Prix / 1 Paire
Pièce de raccordement FS Pièce de raccordement FS LAS 60 FS ----- 6221351
10 Pièce 8,52 CHF Prix / 1 Pièce
Séparateur 45 FS Séparateur 45 FS TSG 45 FS 127 043 019 6062033
3 m 7,66 CHF Prix / 1 m
Tôle d'angle FS Tôle d'angle FS LEB 25 FS ----- 6221203
1 Pièce 29,02 CHF Prix / 1 Pièce
Tôle d'angle FS Tôle d'angle FS LEB 50 FS ----- 6221246
1 Pièce 52,80 CHF Prix / 1 Pièce
Tôle de fond FS Tôle de fond FS ELB-L 20 FS ----- 6103235
3 m 17,75 CHF Prix / 1 m
Téléchargements

Télécharger

Déclaration de conformité UE LCIS 620 3 FS / 6209610 , 0.13MB , pdf
Télécharger
Déclaration environnementale de produits (EPD) LCIS 620 3 FS / 6209610 , 1.48MB , pdf
Télécharger

Télécharger

LCIS 620 3 FS / 6209610 LCIS 620 3 FS / 6209610
Télécharger