Remarque: Cet article est un article de fin de série. Vous pouvez trouver l’article de suivi ici: 1186149 / Bride de fixation 2056 pied H simple, plaque de pression en métal, A2

Bride de fixation rapide, simple, patin de pression en métal, A2

Réf. 1159752 | EAN 4012195668299

5 Nm
Description du produit
Description du produit
Convient à tous les rails profilés en C d'une ouverture de 16 à 17 mm.
Bride, vis et plaque de pression en acier inoxydable
  • Communautés Européennes, CE Déclaration de conformité selon directives CE
  • Bride de fixation rapide pour rail profilé en C, ouverture 16-17 mm
  • Ouverture : 16-17 mm
  • Empreinte CO₂ (PCF)
Caractéristiques techniques

Caractéristiques techniques

Avec carter en plastique non
Avec carter métallique oui
Avec contre-plaque non
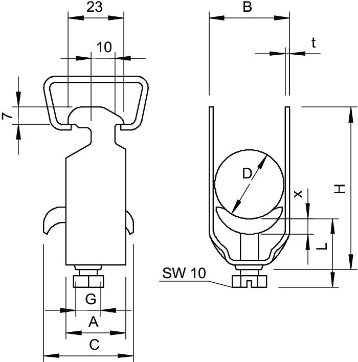
Cote A 23 mm
Cote B 57 mm
Cote c 35 mm
Cote L 44 mm
Cote t 2 mm
Cote x 5 mm
Dimension 46-52mm
Dimension G (mm) M8
Dimension H 86 mm
Empreinte CO2 (GWP) du berceau à la porte 0,6804 kg CO₂e / 1 Pièce
Matériau acier inoxydable 1.4301
Matériau de la plaque acier inoxydable
max. Couple de serrage 5 Nm
Nombre de câbles/tubes 1
Plage de serrage D max. 52 mm
Plage de serrage D min. 46 mm
pour 1 câble H 86 mm
pour 1 câble L 44
pour diamètre de tube max. 50 mm
pour diamètre de tube min. 50 mm
Pour rail avec largeur de fente (avec intervalle) max. 17 mm
Pour rail avec largeur de fente (avec intervalle) min. 16 mm
Qualité du matériau de la plaque Acier inoxydable 304 (1.4301)
Résistant aux chocs non
Sans halogène non
Supplément matériau Acier inoxydable
Supplément surface non traité
Surface nu, traité
Type de montage Rail profilé
Tous les types

Tous les types

Type Plage de serrage D min. Plage de serrage D max. max. Couple de serrage Réf. Quantité Plus petite unité de vente Prix de tarif TVA excl.
2056 M 40 A2 34 mm 40 mm 5 Nm 1159740
25 Pièce 915,40 CHF Prix / 100 Pièce
2056 M 46 A2 40 mm 46 mm 5 Nm 1159746
25 Pièce 1.008,43 CHF Prix / 100 Pièce
2056 M 52 A2 46 mm 52 mm 5 Nm 1159752
25 Pièce 1.072,76 CHF Prix / 100 Pièce
Téléchargements

Télécharger

Déclaration de conformité UE 2056 M 52 A2 / 1159752 , 0.13MB , pdf
Télécharger

2056 M 52 A2 / 1159752 2056 M 52 A2 / 1159752
Télécharger