Remarque: Cet article est un article de fin de série. Vous pouvez trouver l’article de suivi ici: 1187408 / Bride de fixation 2056 pied F simple, plaque de pression en métal, FT

Bride de fixation rapide, plaque de pression simple en métal FT

Réf. 1156810 | EAN 4012195495253 | ELDAS-No. 120 100 865

3 Nm
Description du produit
Description du produit
Bride de fixation pour la fixation de câbles et de tubes. Convient aux fers plats, coudés et en U de 4 à 12 mm d’épaisseur. Les patins de pression métalliques ont des arêtes et très arrondis sur toutes les faces pour éviter que les câbles soient endommagés.
  • Communautés Européennes, CE Déclaration de conformité selon directives CE
  • Fer plat
  • Montant en U
  • Empreinte CO₂ (PCF)
Caractéristiques techniques

Caractéristiques techniques

Avec carter en plastique non
Avec carter métallique oui
Avec contre-plaque non
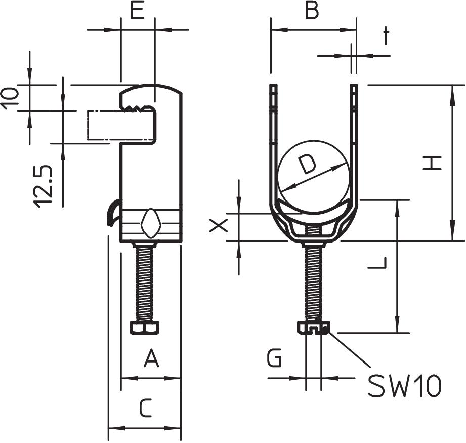
Cote A 23 mm
Cote B 20 mm
Cote c 34 mm
Cote L 34 mm
Cote t 1,5 mm
Cote x 5 mm
Dimension 12-16mm
Dimension E 13 mm
Dimension G (mm) M6
Dimension H 47 mm
Empreinte CO2 (GWP) du berceau à la porte 0,0803 kg CO₂e / 1 Pièce
Matériau acier
Matériau de la plaque acier
max. Couple de serrage 3 Nm
Nombre de câbles/tubes 1
Plage de serrage D max. 16 mm
Plage de serrage D min. 12 mm
pour 1 câble H 47 mm
pour 1 câble L 34
pour 2 câbles H 65 mm
pour 2 câbles L 34 mm
pour 3 câbles H 83 mm
pour 3 câbles L 47 mm
pour diamètre de tube max. 16 mm
pour diamètre de tube min. 16 mm
Pour rail avec largeur de fente (avec intervalle) max. 17 mm
Pour rail avec largeur de fente (avec intervalle) min. 16 mm
Résistant aux chocs non
Sans halogène oui
Supplément matériau acier
Supplément surface galvanisé à chaud
Surface galvanisé à chaud par trempage
Type de montage Profilé plat
Tous les types

Tous les types

Type Plage de serrage D min. Plage de serrage D max. max. Couple de serrage ELDAS-No. Réf. Quantité Plus petite unité de vente Prix de tarif TVA excl.
2056F M 16 FT 12 mm 16 mm 3 Nm 120 100 865 1156810
100 Pièce 324,56 CHF Prix / 100 Pièce
2056F M 22 FT 16 mm 22 mm 3 Nm 120 101 765 1156829
100 Pièce 334,49 CHF Prix / 100 Pièce
Téléchargements

Télécharger

Déclaration de conformité UE 2056F M 16 FT / 1156810 , 0.13MB , pdf
Télécharger

2056F M 16 FT / 1156810 2056F M 16 FT / 1156810
Télécharger