Remarque: Cet article est un article de fin de série. Vous pouvez trouver l’article de suivi ici: 1186869 / Bride de fixation 2056 pied U simple, plaque de pression en matière plastique, A2

Bride de fixation rapide, plaque de pression simple en matière plastique, A2

Réf. 1178628 | EAN 4012195075196 | ELDAS-No. 120 187 149

Description du produit
Description du produit
Convient à tous les rails profilés en C d'une ouverture de 18 et 22 mm.

Plaque de pression en polypropylène, sans halogène, couleur gris clair RAL 7035.
  • sans halogène ; sans chlore, fluor et brome
  • Communautés Européennes, CE Déclaration de conformité selon directives CE
  • Bride de fixation rapide pour rail profilé en C, ouverture 18-22 mm
  • Ouverture 18 mm
  • Ouverture 22 mm
  • Empreinte CO₂ (PCF)
Caractéristiques techniques

Caractéristiques techniques

Avec carter en plastique oui
Avec carter métallique non
Avec contre-plaque non
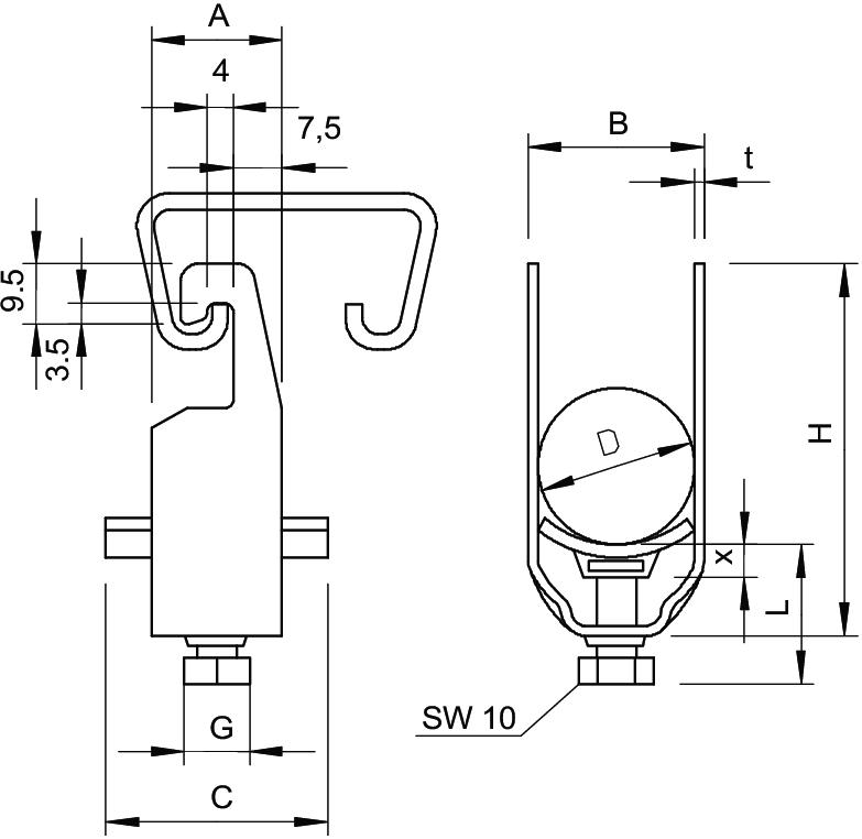
Cote A 23 mm
Cote B 76 mm
Cote c 40 mm
Cote L 38,5 mm
Cote t 2,5 mm
Cote x 6,5 mm
Dimension 64-70mm
Dimension G (mm) M8
Dimension H 103 mm
Empreinte CO2 (GWP) du berceau à la porte 0,6465 kg CO₂e / 1 Pièce
Matériau acier inoxydable 1.4301
Matériau de la plaque Plastique
max. Couple de serrage 5 Nm
Nombre de câbles/tubes 1
Plage de serrage D max. 70 mm
Plage de serrage D min. 64 mm
pour 1 câble H 103 mm
pour 1 câble L 38,5
Pour rail avec largeur de fente (avec intervalle) max. 22 mm
Pour rail avec largeur de fente (avec intervalle) min. 18 mm
Qualité du matériau de la plaque Polypropylène
Résistant aux chocs non
Sans halogène oui
Supplément matériau Acier inoxydable
Supplément surface non traité
Surface nu, traité
Type de montage Rail profilé
Tous les types

Tous les types

Type Plage de serrage D min. Plage de serrage D max. max. Couple de serrage ELDAS-No. Réf. Quantité Plus petite unité de vente Prix de tarif TVA excl.
2056U 12 A2 8 mm 12 mm 3 Nm 120 180 349 1178504
50 Pièce 457,73 CHF Prix / 100 Pièce
2056U 28 A2 22 mm 28 mm 3 Nm 120 182 649 1178539
50 Pièce 550,70 CHF Prix / 100 Pièce
2056U 52 A2 46 mm 52 mm 5 Nm 120 186 049 1178571
25 Pièce 1.157,72 CHF Prix / 100 Pièce
2056U 70 A2 64 mm 70 mm 5 Nm 120 187 149 1178628
15 Pièce 1.545,62 CHF Prix / 100 Pièce
Téléchargements

Télécharger

Déclaration de conformité UE 2056U 70 A2 / 1178628 , 0.13MB , pdf
Télécharger

2056U 70 A2 / 1178628 2056U 70 A2 / 1178628
Télécharger