Bride de fixation 2056 pied U simple, plaque de pression en matière plastique, Al

Réf. 1186962 | EAN 4012196852123 | ELDAS-No. 120 101 285

2 Nm
Description du produit
Description du produit
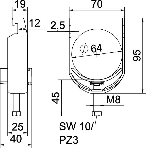
Bride de fixation avec pied U, plaque de pression en matière plastique en polypropylène. Pour montage vertical et horizontal d’1 câble individuel sur des rails profilés en C. Pour une ouverture de 18 – 22 mm. Avec vis à 1 filet sur plaque de pression, tête de vis hexagonale universelle SW10, avec fente et empreinte cruciforme. Convient au montage en intérieur et en extérieur. L’utilisation d’une contre-plaque est recommandée.
  • Fédération allemande des industries de l'éléctronique et de l'ingénierie de l'information
  • sans halogène ; sans chlore, fluor et brome
  • Communautés Européennes, CE Déclaration de conformité selon directives CE
  • Déclaration de conformité UKCA
  • Ouverture 18 mm
  • Ouverture 22 mm
  • Bride de fixation rapide pour rail profilé en C, ouverture 18-22 mm
  • Empreinte CO₂ (PCF)
  • Emballage sans plastique
  • Emballage intégralement composé de carton recyclé
Caractéristiques techniques

Caractéristiques techniques

Avec carter en plastique oui
Avec contre-plaque non
Cote A 25 mm
Cote B 70 mm
Cote c 40 mm
Cote L 45 mm
Cote t 2,5 mm
Dimension 58-64mm
Dimension G (mm) M8
Dimension H 95 mm
Empreinte CO2 (GWP) du berceau à la porte 0,614 kg CO2e / 1 Pièce
Épaisseur de tôle 2,5 mm
Filetage M8
Hauteur 95 mm
Largeur 70 mm
Longueur 25 mm
Longueur dimensions extérieures 40 mm
Matériau aluminium
Matériau de la plaque Plastique
max. Couple de serrage 2 Nm
Nombre de câbles/tubes 1
Ouverture 10 mm
Plage de serrage D max. 64 mm
Plage de serrage D min. 58 mm
pour diamètre de tube max. 64 mm
pour diamètre de tube min. 58 mm
Pour rail avec largeur de fente (avec intervalle) max. 22 mm
Pour rail avec largeur de fente (avec intervalle) min. 18 mm
Qualité du matériau de la plaque Polypropylène
Sans halogène oui
Supplément matériau aluminium
Supplément surface non traité
Type de montage Rail profilé
Tous les types

Tous les types

Type Plage de serrage D min. Plage de serrage D max. max. Couple de serrage ELDAS-No. Réf. Quantité Plus petite unité de vente Prix de tarif TVA excl.
BS-U1-K-12 ALU 8 mm 12 mm 2 Nm 120 101 195 1186902
50 Pièce 371,56 CHF Prix / 100 Pièce
BS-U1-K-16 ALU 12 mm 16 mm 2 Nm 120 101 205 1186909
50 Pièce 382,42 CHF Prix / 100 Pièce
BS-U1-K-22 ALU 16 mm 22 mm 2 Nm 120 101 215 1186916
50 Pièce 386,53 CHF Prix / 100 Pièce
BS-U1-K-28 ALU 22 mm 28 mm 2 Nm 120 101 225 1186922
50 Pièce 391,55 CHF Prix / 100 Pièce
BS-U1-K-34 ALU 28 mm 34 mm 2 Nm 120 101 235 1186929
50 Pièce 404,13 CHF Prix / 100 Pièce
BS-U1-K-40 ALU 34 mm 40 mm 2 Nm 120 101 245 1186936
50 Pièce 437,51 CHF Prix / 100 Pièce
BS-U1-K-46 ALU 40 mm 46 mm 2 Nm 120 101 255 1186942
50 Pièce 541,07 CHF Prix / 100 Pièce
BS-U1-K-52 ALU 46 mm 52 mm 2 Nm 120 101 265 1186949
50 Pièce 639,24 CHF Prix / 100 Pièce
BS-U1-K-58 ALU 52 mm 58 mm 2 Nm 120 101 275 1186956
50 Pièce 700,92 CHF Prix / 100 Pièce
BS-U1-K-64 ALU 58 mm 64 mm 2 Nm 120 101 285 1186962
50 Pièce 834,20 CHF Prix / 100 Pièce
BS-U1-K-70 ALU 64 mm 70 mm 2 Nm 120 101 295 1186969
50 Pièce 1.105,74 CHF Prix / 100 Pièce
BS-U1-K-76 ALU 70 mm 76 mm 2 Nm 120 101 305 1186976
50 Pièce 1.034,02 CHF Prix / 100 Pièce
Téléchargements

Télécharger

Télécharger

Déclaration de conformité UE BS-U1-K-64 ALU / 1186962 , 0.10MB , pdf
Télécharger

BS-U1-K-64 ALU / 1186962 BS-U1-K-64 ALU / 1186962
Télécharger